Diagram Database

Posted by on 2020-12-30

Gratis Alternador Indiel Diagrama

CETNIEWO2017.VILOGDANSK.EU

Gratis Alternador Indiel Diagrama

  • Indiel Diagrama
  • Date : December 30, 2020
  • Downloaded : 7092 times

Gratis Alternador Indiel Diagrama Whats New

Alternador

Downloads Gratis Alternador Indiel Diagrama alternador alternadores pr alternador carro alternador price alternador 556577 alternador ingles alternador partes alternadores auto alternadores bosch alternador funcion alternador sincrono alternador chevrolet alternadores baratos alternadores usados alternador definicion alternador definition alternador traduccion alternador a motor alternador de moto alternador de camion alternador de carro alternador en ingles alternadores near me alternador ford edge alternador in english

  • Conexi U00f3n De Alternador Indiel Y Regulador Universal

  • Como Conectar Este Alternador

  • Solucionado Conectar Alternador

  • Clubpeugeot505 Com U2022 View Topic

  • Solucionado Alternador Indiel No Carga Ford F100

  • Fiat 600 Club - Pasi U00f3n Por El Fitito

  • Conexion Alternador Datos Para Hacerla

  • Solucionado Como Conectar El Alternador Indiel A Mi 47

  • Ciencia U0026 Hobbies Reparacion Alternador Lucas Indiel

  • Comprenda El Funcionamiento De Los Alternadores Art125s

  • Solucionado Como Conectar El Alternador Indiel A Mi 47

  • El Alternador

  • Alternador 12v 60amp Indiel Reparacion Completa

  • Solucionado Alternador Indiel No Carga Ford F100

  • Clubpeugeot505 Com U2022 View Topic

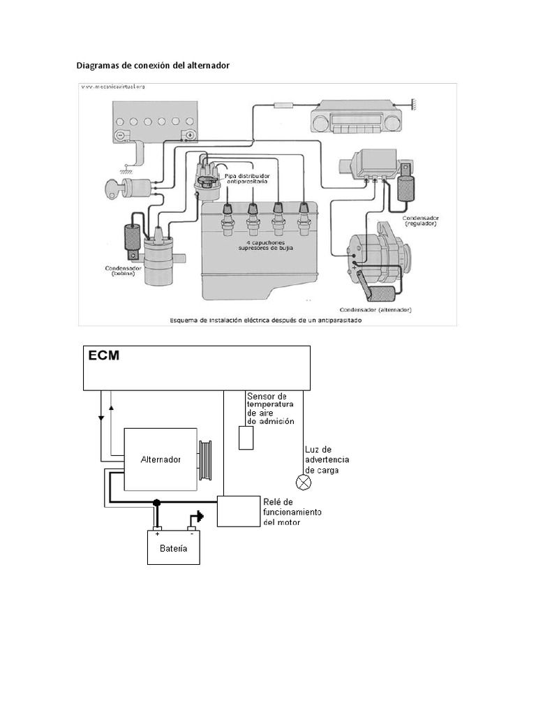
  • Diagramas De Conexi U00f3n Del Alternador

  • W Do Alternador Para Conta

  • Solucionado Conexionado De Alternador Indiel Con

  • Alternador Universal Indiel Florida

  • Fiat 600 Club - Pasi U00f3n Por El Fitito

  • Solucionado Alternador Indiel No Carga Ford F100

  • Reparaci U00f3n De Alternador Lucas Indiel

  • Fiat 600 Club - Pasi U00f3n Por El Fitito

  • Como Conectar Un Alternador

  • Ciencia U0026 Hobbies Reparacion Alternador Lucas Indiel

  • Todo Falcon

Copyright © 2020 - CETNIEWO2017.VILOGDANSK.EU


1937 Comments