Diagram Database

Posted by on 2020-12-30

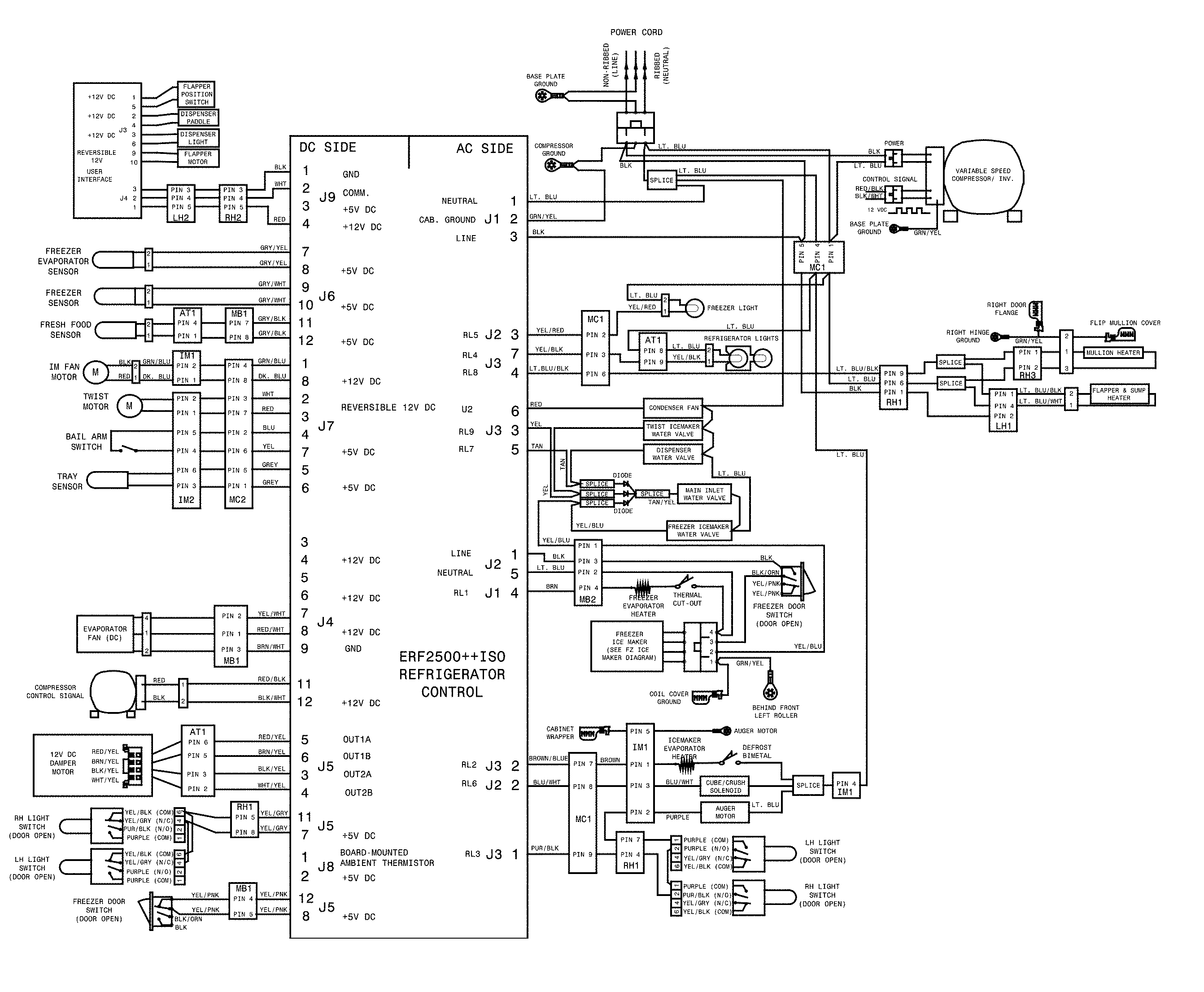
Ge Wiring Diagrams Fridge Gts22jbpbrww

CETNIEWO2017.VILOGDANSK.EU

Ge Wiring Diagrams Fridge Gts22jbpbrww

  • Fridge Gts22jbpbrww
  • Date : December 30, 2020
  • Downloaded : 7453 times

Ge Wiring Diagrams Fridge Gts22jbpbrww Whats New

Wiring Diagrams

Downloads Ge Wiring Diagrams Fridge Gts22jbpbrww wiring diagrams automotive wiring diagrams for household switches wiring diagrams for four way switches wiring diagrams wiring diagrams lg wiring diagrams fan wiring diagrams ford wiring diagrams 101 wiring diagrams pdf wiring diagrams .com wiring diagrams car wiring diagrams hvac wiring diagrams jmor wiring diagrams free wiring diagrams for household wiring diagrams for rv wiring diagrams for home wiring diagrams for d104

  • Ge Gts22jbpb Refrigerator Schematic

  • Frigidaire Ice Maker Wiring Diagram

  • Whirlpool Refrigerator Wiring Schematic

  • Frigidaire Ice Maker Wiring Diagram

  • Frigidaire Ice Maker Wiring Diagram

  • New Build Electronics Newb Diagram Help

  • Solved Our Maytag Refrigerator Msd2756 Water Ice

  • Whole House Audio System Wiring Diagram Sample

  • Whirlpool Refrigerator Wiring Schematic

  • Refrigerator - Understanding Fridge Wiring Diagram

  • Refridgerator Circuits

  • Whirlpool Refrigerator Model W 4 T X N W F W Q 0 3

  • Frigidaire Glht184tjq1 Top

  • Ge Refrigerator Wiring Schematic

  • Samsung Fridge Compressor Wiring Diagram Refrigeration

  • Answered Maytag Matag 25 6 Cu Ft Side By Side Refrigerator

  • Ge Gth18ebtzrww Refrigerator Schematic

  • Frigidaire Model Lghs2665kf1 Side

  • Refrigeration Refrigeration Current Relay

  • Frigidaire Refrigerator Parts

  • Frigidaire Refrigerator Parts

  • Frigidaire Model Fpgs18tal4 Top

  • Frigidaire Refrigerator Parts

  • Frigidaire Fef352asf Electric Range Timer

  • I Have A Ge Refrigerator Model Pss26sgpass Side

  • Whirlpool Ed25rfxfw01 Refrigerator Wiring Diagram

  • Frigidaire F44p21atw2 Top

  • Refrigerator Electrical Diagram

  • Wiring Diagram Of Refrigerator And Water Cooler

  • Refrigerator

  • Frost Free Refrigerator Wiring In Hindi Double Door Wiring

  • Wiring Diagram Of Refrigerator Nofrost

  • Lg Model Lfx21960st 00 Bottom

  • Ge Profile Side

  • I U0026 39 Ve Got A Old R12 Matsushita Compressor Im Trying To Find

  • Frigidaire Model Ffph45f4lm Under Counter Refrigerator

  • Electro Help Sharp Sj-58lm - Sj-63lm

  • Frigidaire Frs3r4ewc Side

  • Kic Fridge Thermostat Wiring Diagram Popular Brake

  • Looking For Frigidaire Model Frs22xhaw2 Side

  • True Freezer Wiring Diagram

  • Frigidaire Model Fphf2399mf6 Bottom

  • Ge Side By Side Refrigerator Wiring Diagram Sample

  • Frigidaire Model Ffhb2740pe5a Bottom

  • Amana Model Arb2257cw Need Legible Pdf Of Wiring Diagram

  • Ge Refrigerator Wiring Diagram Best Of Ge Monogram Wiring

  • Schematic Fridge Ge Css25uswc

  • Frs26kweaq3 Freezer Fan Not Running No Voltage

Copyright © 2020 - CETNIEWO2017.VILOGDANSK.EU


1937 Comments