Diagram Database

Posted by on 2020-12-30

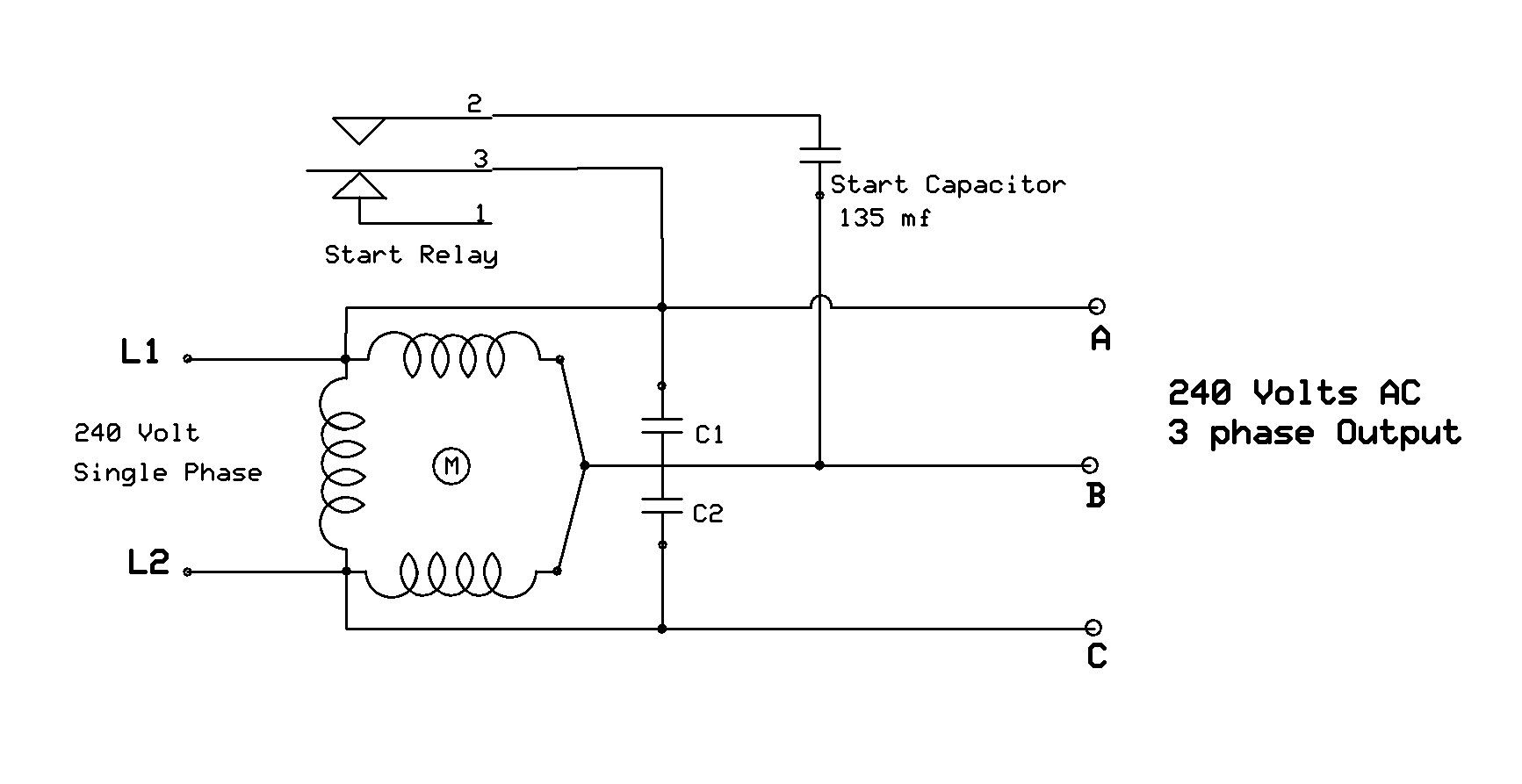
Ge Induction Motor Wiring Diagram

CETNIEWO2017.VILOGDANSK.EU

Ge Induction Motor Wiring Diagram

  • Wiring Diagram
  • Date : December 30, 2020
  • Downloaded : 6699 times

Ge Induction Motor Wiring Diagram Whats New

Induction Motor

Downloads Ge Induction Motor Wiring Diagram induction motor induction motor definition induction motor prices induction motor speed induction motor goodman furnace induction motor for furnace induction motor inventor crossword induction motor vs ac motor induction motor dc induction motor define induction motor inventor induction motor fan induction motor pdf induction motor specs induction motor 60w induction motor ac induction motor rpm induction motor drag induction motor femm

  • Types Of Single Phase Induction Motors

  • Types Of Single Phase Induction Motors

  • Types Of Single Phase Induction Motors

  • General Electric Induction Motor Model 5k184ac217 Wiring

  • 110 220 Volt Induction Motor Wiring Diagram

  • Dayton Model 9k457 A C Induction Motor Wiring Diagram

  • Induction Motor Wiring Diagrams

  • Types Of Single Phase Induction Motors

  • 2 Capacitor Induction Motor Humming Troubleshooting

  • Single Phase Asynchronous Motor Wiring Diagram

  • Motor 3 Phase Wiring Diagram

  • Types Of Single Phase Induction Motors

  • Single Phase Motor Wiring Diagram With Capacitor Start

  • Acp-m

  • Clarke Single Phase Induction Motor Wiring Diagram

  • Induction Motor Single Phase Motor Wiring Diagram With

  • Dayton Model 9k457 A C Induction Motor Wiring Diagram

  • Wound Induction Motor Wiring Diagram

  • 110 220 Volt 6 Pole Induction Motor Wiring Diagram

  • Alpak Induction Motor Wiring Diagram

  • Induction Motor Wiring Diagram

  • Equivalent Circuit Of Three Phase Induction Motor

  • Dayton Model 9k457 A C Induction Motor Wiring Diagram

  • Circuit Diagram Of Induction Motor Connected To An

  • Asynchronous Motor Wiring Diagrams

  • Single Phase Motor Wiring Schematic

  • Dayton Capacitor Start Motor Wiring Diagram

  • Brake Test On 3 Phase Induction Motor Theory Pdf

  • Types Of Single Phase Induction Motors

  • Asynchronous Motor Wiring Diagrams

  • 3 Phase Induction Motor Starter

  • Induction Motor Single Phase Motor Wiring Diagram With

  • Wiring

  • 110 220 Volt 6 Pole Induction Motor Wiring Diagram

  • Clarke Single Phase Induction Motor Wiring Diagram

  • Equivalent Circuit Of A Three Phase Induction Motor

  • Induction Motor Equivalent Circuit And Phasor Diagrams

  • Methods Of Starting Induction Motors

  • Tesla Electric Car U2013 Jennifer Straka

  • Induction Motor Wiring Diagram

  • Types Of Single Phase Induction Motors

  • Asynchronous Motor Wiring Diagrams

  • 3 Phase Electric Motor Starter Wiring Diagram

  • Ac Induction Motor Wiring Diagram

  • Types Of Single Phase Induction Motors

  • Types Of Single Phase Induction Motors

  • Single Phase Motor Wiring Diagram With Capacitor Start

  • 12 General Electric Induction Motor Wiring Diagram

  • Development Of Equivalent Circuit Of 3

  • What Is The Wiring Of A Single-phase Motor

  • Single Phase Motor Wiring Diagram With Capacitor Start

Copyright © 2020 - CETNIEWO2017.VILOGDANSK.EU


1937 Comments