Diagram Database

Posted by on 2020-12-29

G 722 Block Diagram

CETNIEWO2017.VILOGDANSK.EU

G 722 Block Diagram

  • Block Diagram
  • Date : December 29, 2020
  • Downloaded : 7100 times

G 722 Block Diagram Whats New

722

Downloads G 722 Block Diagram 7227 meaning 7220 sports 722 miles 722 ynw 7220sports.com 722-55 722/3 7222bg 7226sf1ss 7220 york for sale 722 credit score 722 spitfire 722 remington 722 love 72211 map 722 meaning 722 area code 7227 navajo road #201 722 s wahsatch ave 7229 crest rd 90275 7225 xerox driver 7220 case tractor 722 remington 222 722 capitol mall 7229 300th st nw stanwood wa

  • Acer Aspire One 722 Schematic Acer Ao722 Schematic P1ve6

  • Block Diagram Of G 722 Decoder With The Plc Algorithm

  • Schemat Acer Aspire One 722 Compal P1ve6 La

  • Silicom Ltd U2013 Fb1c1xlg A10 Fpga Arria 10 Server Adapter

  • Allegro Microsystems

  • 722d2 Grasshopper Mower

  • Governor Models

  • Allegro Microsystems

  • Pin Oleh Jurang Jeru Di Inverter Dc To Ac

  • Pca9539 Pca9539r

  • Pc722 Kintex

  • Adg722 Datasheet And Product Info

  • Hmc722lp3e U0422 U0435 U0445 U043d U0438 U0447 U0435 U0441 U043a U043e U0435 U043e U043f U0438 U0441 U0430 U043d U0438 U0435 U0438 U0438 U043d U0444 U043e U0440 U043c U0430 U0446 U0438 U044f U043e U043f U0440 U043e U0434 U0443 U043a U0442 U0435

  • Kenwood Kdc7024y

  • Signal Flow Graph

  • Hmc722lc3c Datasheet And Product Info

  • Si

  • Kaelus Ddf0035f1v1

  • 35 Dish Network Vip222k Wiring Diagram

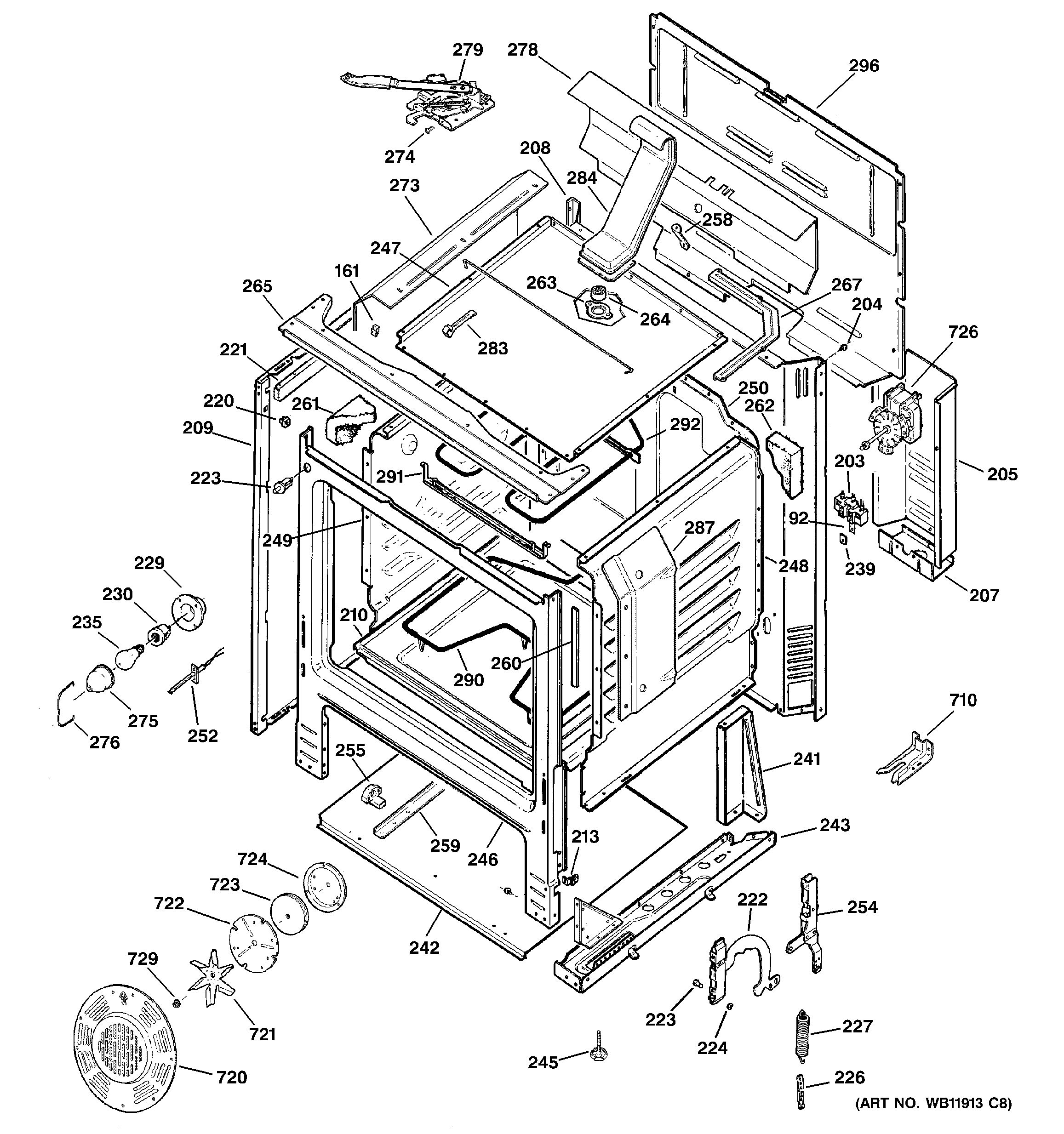
  • Assembly View For Body Parts

  • Half

  • Yet Another Trans Question 84sd - Page 3

  • Ford

  • Modbot A Modular Robotics Test Platform

  • Bookreaderimages Php 563 U00d7891

  • Amc722

  • New Pmc Vendor Debuts Linux

  • Csr1021

  • Fm Bug Circuit

  • Microstepping Of Stepper Motor

  • 35 Kohler Cv740 Parts Diagram

  • Diy Logic Analyzer And Protocol Tester U2013 L I S A

  • Sharp Vc-mh722hm Serv Man11 Service Manual

  • Mercedes Valve Diagram

  • Kenwood 700m Stereo Power Amplifier Instruction Manual Inc

  • Use Imaging To Enhance Robotic Capabilities

  • Sharp Vc

  • Esu Block Diagram

  • Hardware Archives - Page 707 Of 722

  • Wiring Diagram Please Check This For Me

  • U30a4 U30f3 U30d5 U30a9 U30b0 U30e9 U30d5 U30a3 U30c3 U30af U30b5 U30fc U30af U30eb U30aa U30d7 U30b7 U30e7 U30f3 U307e U305f U306f U624b U9806 U3002 U30d3 U30b8 U30cd U30b9 U30b3 U30f3 U30bb U30d7 U30c8 U3001 U30d6 U30ed U30c3 U30af U56f3 U3001 U60c5 U5831 U30b0 U30e9 U30d5 U3001 U5186 U30b0 U30e9 U30d5 U30d7 U30ed U30bb U30b9

  • Adl7003 U6570 U636e U624b U518c U548c U4ea7 U54c1 U4fe1 U606f

  • Acer Aspire One Ao521 Schematic Quanta Zh9 U2013 Laptop Schematic

  • Ray3 Microwave Link

  • Cmr Robot Arm

  • Adum6411 U30c7 U30fc U30bf U30b7 U30fc U30c8 U304a U3088 U3073 U88fd U54c1 U60c5 U5831

  • Summit Block Photos Diagrams U0026 Topos Summitpost

  • Pin On Power Electronics Articles

  • Bcs America 722

  • Solved 5 The Block Diagram Below Shows The Design Of An

  • Adum3210 U6570 U636e U624b U518c U548c U4ea7 U54c1 U4fe1 U606f

  • Kenwood Kdc 7024y Kdc 722 Kdc 8023 Service Ma By

  • Hd Media Hub Design Runs Android Linux

  • Initializing Bite Logic Block Diagram

  • Obd1 Alternator Wiring Diagram Inspirationa Wilbo666 1jz

  • Onkyo C-722

  • Kdl 40 V2500

Copyright © 2020 - CETNIEWO2017.VILOGDANSK.EU


1937 Comments