Diagram Database

Posted by on 2020-12-30

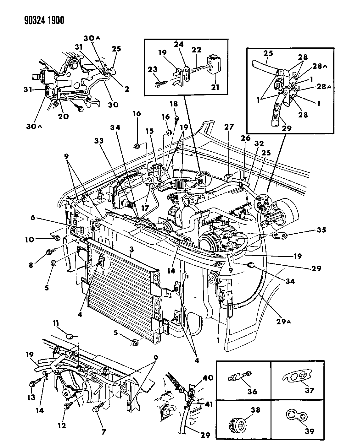
Fuse Diagram For 98 Dodge Dakota

CETNIEWO2017.VILOGDANSK.EU

Fuse Diagram For 98 Dodge Dakota

  • Dodge Dakota
  • Date : December 30, 2020
  • Downloaded : 5983 times

Fuse Diagram For 98 Dodge Dakota Whats New

Diagram For 98

Downloads Fuse Diagram For 98 Dodge Dakota fuse diagram for 98 ford ranger diagram for 1985 25hp johnson outboard motor diagram for 97 chevy malibu belt diagram for 80cc 2 stroke motor diagram of 98 honda crv front end diagram of 98 toyota land cruiser front end diagram for 917.376742 craftsman mower diagram of 1998 isuzu trooper diagram of 1998 ford f150 exhaust diagram of 1998 dodge durango engine diagram of 1998 lincoln continental engine diagram of 1998 honda passport timing belt diagram of 1998 engine cbr 600 diagram for 48 volt golf cart batteries

  • Vacuum Line Diagram For 98 Dodge Dakota

  • 1998 Dodge Dakota Problem No Spark Not Firing

  • Vacuum Line Diagram For 98 Dodge Dakota

  • 98 Dodge Ram Trailer Wiring Diagram Download

  • Vacuum Line Diagram For 98 Dodge Dakota

  • 1998 Dodge Dakota 2 5 Liter 4 Cyl Engine Has No Spark

  • 1998 Dodge Dakota Wiring Diagram

  • Stereo Wiring Diagram For 98 Dodge Dakota

  • Vacuum Line Diagram For 98 Dodge Dakota

  • Radio Wiring Diagram 1998 Dodge Dakota

  • 1998 Dodge Dakota Wiring Diagram

  • Stereo Wiring Diagram For 98 Dodge Dakota

  • 98 Dodge Dakotum Speaker Wiring

  • 98 V6 Stalling Shop Replaced Crank Sensor Without Success

  • Stereo Wiring Diagram For 98 Dodge Dakota

  • 2006 Dodge Dakota Fuse Box

  • 98 Dodge Durango Engine Diagram

  • Radio Wiring Diagram For 1998 Dodge Dakota

  • Dodge Dakota Front Suspension Diagram

  • 2001 Dodge Durango Wiring Diagram

  • 98 Dodge Durango Engine Diagram

  • 99 Dodge Radio Wiring Diagram

  • 1997 Dodge Dakota I Believe Solved

  • 1988 Dakota 3 9 Ignition System Schematic Needed Truck

  • 98 Dodge Durango Engine Diagram

  • New 1998 Dodge Ram 1500 Trailer Wiring Diagram Diagram

  • V9900008

  • 98 Dodge Ram Trailer Wiring Diagram Download

  • 98 Dodge Ram Trailer Wiring Diagram Sample

  • New Genuine Mopar 5015544ac Return Tube Hose For Dodge

  • 56005915 C Discharge 5 2l

  • 52010404ak

  • 1993 Dakota Wiring Diagram

  • Gt 4965 Dodge Dakota Heater Control On Heater Core

  • 95 Dakotum Asd Relay Wiring Diagram

  • I Am Trying To Locate The Ground Wire For My 98 Dodge Ram

  • I Need The Wiring Diagram For The Instrument Panel On A

  • My 98 Dodge Caravan Headlight Won U0026 39 T Turn Off Even Turn Off

  • Dodge Chrysler Oem 98

  • I Have A 1998 Dodge Ram 1500 4wd And It Needs New Tie Rods

  • 1998 Dodge Dakota Wiring Diagram

  • 98 Dodge Ram Trailer Wiring Diagram Download

  • 2001 Dodge Dakota 4 7l Wiring Diagram

  • 2000 Dodge Dakota Fuse Box Diagram

  • 2006 Dodge Dakota Level Unit Kit Fuel

  • 1998 Dodge Dakota Wiring Schematic

  • 20 New 1998 Dodge Dakota Headlight Switch Wiring Diagram

  • Cool Radio Wiring Diagram For 1998 Dodge Dakota Images

  • 56045484ac

  • I Have A 98 Dodge Dakota 4x4 5 2l V8 Automatic I Broke

  • 1993 Dakota Wiring Diagram

  • 98 Dodge Dakotum Speaker Wiring

  • 98 Dodge Ram Speaker Wiring

  • 98 Dodge Ram Trailer Wiring Diagram Download

  • 98 Dodge Durango Engine Diagram

Copyright © 2020 - CETNIEWO2017.VILOGDANSK.EU


1937 Comments