Diagram Database

Posted by on 2020-12-30

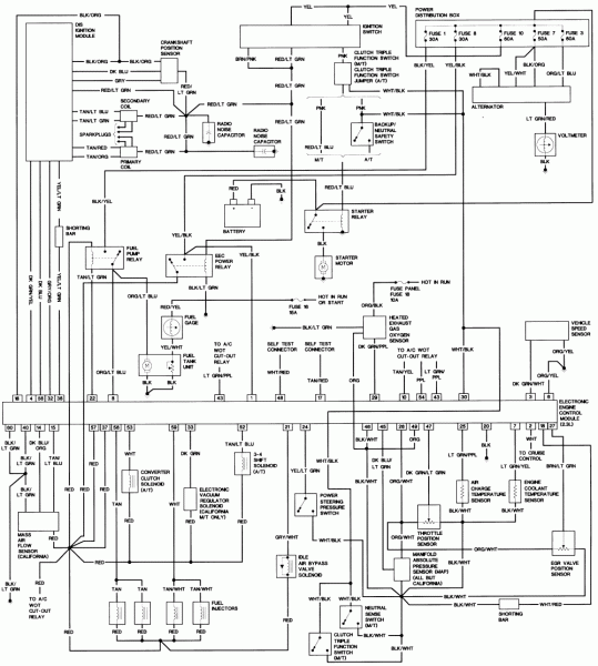
Ford Focus 2000 Workshop Wiring Diagram

CETNIEWO2017.VILOGDANSK.EU

Ford Focus 2000 Workshop Wiring Diagram

  • Wiring Diagram
  • Date : December 30, 2020
  • Downloaded : 5699 times

Ford Focus 2000 Workshop Wiring Diagram Whats New

Focus 2000 Workshop

Downloads Ford Focus 2000 Workshop Wiring Diagram

  • 2000 Ford Focus A Wiring Diagram

  • 30 2000 Ford Focus Wiring Diagram

  • 2000 Ford Focus Headlight Wiring Diagram

  • Ford Focus 2000 Wiring Diagrams

  • 2000 Ford Focus A Wiring Diagram

  • 2000 Focus Wiring Diagram For Blower

  • Need A Wiring Diagram Of Ford 2000 Focus Sohc Se Model

  • 2000 Ford Focus Abs Wiring Diagram Download

  • 2000 Focus Wiring Diagram For Blower

  • 2000 Ford Focus Ignition Wiring Diagram With Images

  • Ford Focus Mk1 2000

  • Need A Wiring Diagram Of Ford 2000 Focus Sohc Se Model

  • 2000 Ford Focus Wiring Diagram Manual Original

  • 2000 Ford Focus Electric Door Lock Does Not Function The

  • Ford Focus 2000 Wiring Diagrams

  • 2000 Ford Focus Stereo Wiring Diagram

  • 2000 Ford Focus Alternator Wiring Diagram

  • 2000 Ford Focus Zts Dohc Manual Wiring Diagram

  • Ford Focus Mk1 2000

  • Ford Focus 2000 Wiring Diagrams

  • Ford Focus Mk1 2000 Triples Custom Vehicle Wiring Diagram

  • 2000 Ford Focus Wiring Diagram Manual Original

  • 35 2000 Ford Focus Cooling System Diagram

  • Focus St Workshop Service Manual Full Incl Wiring

  • 2000 Ford Focus Engine Diagram

  • 2000 Ford Focus Service Manual U0026 Wiring Diagram

  • 2000 Ford Focus Zts Dohc Manual Wiring Diagram

  • 25 2012 Ford Focus Parts Diagram

  • 2016 Ford Focus Wiring Diagram Manual Original

  • Wiring Diagram

  • Ford Focus C307fap 2008 25 Wiring Diagram New Manual

  • Wiring Diagram

  • 05 Ford Focus Radio Wiring Diagram

  • Wiring Diagram

  • 2006 Ford Focus Evtm Service Workshop Shop Repair Manual

  • Ford Focus 2000 Diagram Of Engine

  • C4b Ford Focus Wiring Diagrams

  • 2000 Ford Focu Se Fuse Diagram

  • Diagram Ford Focus Mk3 Haynes Wiring Diagram Full

  • Wiring Diagram

  • 2005 Ford Focus Zx4 Fuse Box Diagram

  • 2000 Ford Focus Zts Dohc Manual Wiring Diagram

  • 2014 Ford Focus Wiring Diagram Manual Original

  • 2000 Ford Focus Ignition Wiring Diagram

  • 562e537 Wiring Diagram For A 2000 Ford Focus

  • 2000 Ford Focus Way To Work This Morning The Heater Was

  • My Blower Motor On My 2000 Ford Focus Quit Working It

  • 2000 Ford Focus Engine Diagram

  • 2016 Ford Focus Wiring Diagram Manual Original

  • 2012 Ford Focus Electric Wiring Diagram Manual Original

Copyright © 2020 - CETNIEWO2017.VILOGDANSK.EU


1937 Comments