Diagram Database

Posted by on 2020-12-29

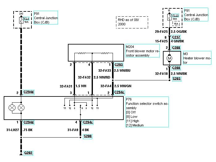
Ford Focus 1.8 Tdci 2007 Wiring Diagram

CETNIEWO2017.VILOGDANSK.EU

Ford Focus 1.8 Tdci 2007 Wiring Diagram

  • Wiring Diagram
  • Date : December 29, 2020
  • Downloaded : 7070 times

Ford Focus 1.8 Tdci 2007 Wiring Diagram Whats New

Focus 1.8 Tdci 2007

Downloads Ford Focus 1.8 Tdci 2007 Wiring Diagram

  • Engine System Failure Ford Focus 1 8 Tdci

  • Schema Electrique Ford Fusion 1 6 Tdci

  • 12 Ford Focus Engine Wiring Diagram

  • Ford Focus Engine Bay Diagram

  • Ford Focus Alternator Wiring

  • Schema Distributie Ford Focus 1 8 Tdci

  • Ford

  • Ford Fiesta 1 25 Zetec Engine Diagram

  • Ford Focus 16 Zetec Engine Diagram

  • 2006 Ford Focu Engine Diagram

  • Wiring Diagram - Ford C-max Club - Ford Owners Club

  • Ford Focu Engine Diagram

  • Diagram 2001 Ford Focus Motor Diagram Full Version Hd

  • Ford Fiesta 1 25 Zetec Engine Diagram

  • 34 Ford Focus Air Conditioning Diagram

  • Mk7 1 6 Tdci

  • Fiche Technique Ford Focus 1 8 Tdci 2007

  • Fuse Box On A Ford Focus

  • Fiche Technique Ford Focus 1 8 Tdci 2007

  • Schema Elettrico Ford Fiesta 2003

  • 2006 Ford Focus Fuse Panel

  • Where Is The Crankshaft Position Sensor Located

  • Ford Fiesta 1 25 Zetec Engine Diagram

  • Fuse Box In A 2007 Ford Focu

  • Mondeo-mk3-fuse-box Images - Frompo

  • Ford

  • Fuse Box For Ford Fiesta 2012

  • Ford Focus 16 Zetec Engine Diagram

  • Radiator Cooling Fan Assembly Diagram I Need A Diagram Of

  • Ford Focu Engine Part Diagram

  • Ford Mondeo Mk3 Interior Light Fuse

  • Ford Mondeo Zetec Fuse Box

  • Ford Focu Engine Part Diagram

  • Ford Focus Forum - Zobrazit T U00e9ma

  • Ford Mondeo Mk4 Manual Download

  • 2000 Ford Focus Belt Diagram

  • Fuse Box In A 2007 Ford Focu

  • Ford Mondeo Mk4 Manual Download

  • Genuine Ford Focus Mk2 1 8 Tdci Diesel 150amp Alternator

  • Confused Mk 1 5 Wiring On Gem For Aftermarket Locking Kit

  • Ford Transit Forum U2022 View Topic

  • Ford Mondeo Air Con Wiring Diagram

  • Efi Loom Wiring Diagram - Passionford

  • Mk7 All 3 Rear Lights Are Out - Ford Fiesta Club

  • Fuse Box For 2009 Ford Focu

  • Ford Mondeo Cd345 2011 Wiring Systems Diagram

  • Aamidis Blogspot Com Ford Fiesta Mk2 Wiring Diagram

  • Ford Focus Zetec Engine System Failure

  • 2007 Ford Focus Door Handle Diagram

  • Fuse Box In Ford Focu 2008

  • Diagram 2001 Ford Focus Motor Diagram Full Version Hd

  • Ford Focu Fuel Filter

  • Ford Mondeo Air Con Wiring Diagram

  • Wiring Diagram

  • Mondeo-mk3-fuse-box Images - Frompo

  • Ford Fusion Fuel Filter

  • Help On S-max Overheating Possible Turbo Issues

  • Instalacija Za Povezivanje Xenona Mondeo Mk3

  • Fuse Box In Ford Focu 2007

  • Diagram 2001 Ford Focus Motor Diagram Full Version Hd

Copyright © 2020 - CETNIEWO2017.VILOGDANSK.EU


1937 Comments