Diagram Database

Posted by on 2020-12-30

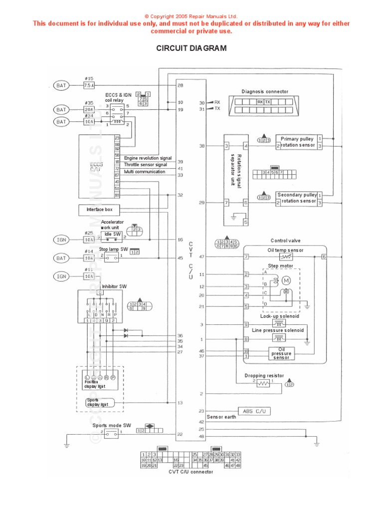
Ford Cvt Transmission Wiring Diagram

CETNIEWO2017.VILOGDANSK.EU

Ford Cvt Transmission Wiring Diagram

  • Wiring Diagram
  • Date : December 30, 2020
  • Downloaded : 6237 times

Ford Cvt Transmission Wiring Diagram Whats New

Cvt Transmission

Downloads Ford Cvt Transmission Wiring Diagram cvt transmission cvt transmission problems cvt transmission explained cvt transmission fluid cvt transmission oil cvt transmission diagram cvt transmission recall cvt transmission toyota cvt transmission lifespan cvt transmission temperature cvt transmission problems toyota cvt transmission oil nissan cvt transmission oil toyota cvt transmission oil change cvt transmission 2014 nissan sentra cvt transmission 2018 cvt transmission 2019 cvt transmission pdf cvt transmission atv cvt transmission service cvt transmission vs automatic transmission

  • Cvt Control System - Wiring Diagram

  • Subaru Crosstrek Service Manual

  • Nissan Rogue Service Manual Cvt Control System

  • Repair Guides

  • Nissan Sentra Service Manual Wiring Diagram

  • Nissan Rogue Service Manual Cvt Control System

  • Nissan Rogue Service Manual Cvt Control System

  • Nissan Cvt Wiring Diagram

  • Nissan Sentra Service Manual Wiring Diagram

  • Cvt Transmission Diagram

  • Nissan Cvt Wiring Diagram

  • Nissan Rogue Service Manual Cvt Control System

  • Repair Guides

  • Nissan Sentra Service Manual Wiring Diagram

  • Nissan Sentra Service Manual Wiring Diagram

  • Nissan Rogue Service Manual Cvt Control System

  • Nissan Rogue Service Manual Cvt Control System

  • Alldatadiy Com

  • Nissan Rogue Service Manual Cvt Shift Lock System

  • Alldatadiy Com

  • Cvt Transmission Diagram

  • Nissan Sentra Service Manual Wiring Diagram

  • Nissan Sentra Service Manual Wiring Diagram

  • Nissan Rogue Service Manual Cvt Shift Lock System

  • Nissan Rogue Service Manual Cvt Shift Lock System

  • Cvt Transmission Pressures

  • Subaru Crosstrek Service Manual

  • Cvt Control System - Wiring Diagram

  • Subaru Crosstrek Service Manual

  • Subaru Crosstrek Service Manual

  • Nissan Rogue Service Manual Cvt Control System

  • 2008 Dodge Caliber Wiring

  • Nissan Sentra Service Manual Wiring Diagram

  • Cvt Transmission Diagram

  • How The Cvt Transmission System Works

  • Cvt Control System - Wiring Diagram

  • 2003 Saturn Vue 2 2l Cvt Transmission Car Came In To

Copyright © 2020 - CETNIEWO2017.VILOGDANSK.EU


1937 Comments