Diagram Database

Posted by on 2020-12-30

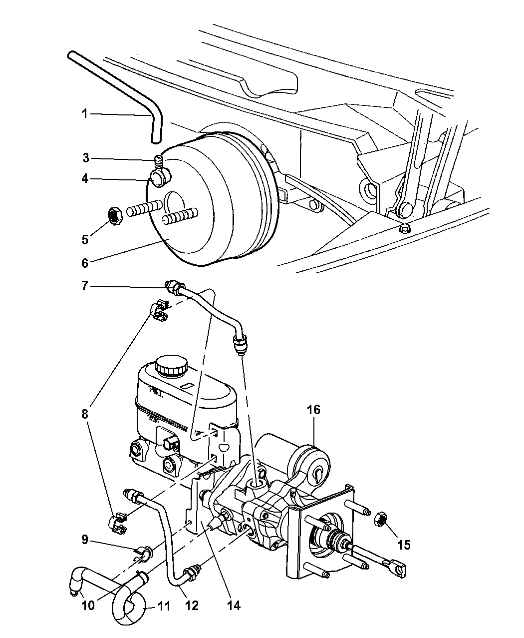
Ford Brake Booster Diagram

CETNIEWO2017.VILOGDANSK.EU

Ford Brake Booster Diagram

  • Booster Diagram
  • Date : December 30, 2020
  • Downloaded : 5910 times

Ford Brake Booster Diagram Whats New

Brake

Downloads Ford Brake Booster Diagram brake brake pads brake repair brake caliper brake fluid brake rotors brakes squeaking brake booster brake controller brakes plus brake fluid flush brake pads and rotors brake masters brake repair shops near me brakes and rotors brake bleeder kit brake check brakemax brake shop near me brake pedal goes to floor brakebush outlet store brakes plus coupons

  • Power Booster Remote Failure Modes

  • Repair Guides

  • Do You Have A Picture Of The Linkage That Goes Between The

  • Hydroboost Diagrams

  • 1966 Power Brake Booster - Corvetteforum

  • Power Brake Booster Removal U2013 The Corvette Restoration Page

  • I Have A 95 Contour And I Am Trying To Remove The Power

  • Gearhead 101 Understanding The Braking System U2013 Health Notion

  • I Have A 95 Contour And I Am Trying To Remove The Power

  • Gimme A Boost How To Build An Inexpensive Power Brake

  • 4581512aa

  • Power Brake

  • Auto Repair Brake System Basics

  • Mercedes

  • 2007 Dodge Ram 2500 Booster Power Brake U0026 Hydro

  • 18005544

  • 15192200

  • 18019639

  • Repair Guides

  • Chevrolet Silverado Fitting Vacuum Power Brake Fitting

  • Question On Rack And Pinion With Ls1 Hydroboost

  • How Brake Booster Works

  • 47

  • Diagram Of Vacuum Booster System

  • 4581553ab

  • Chevrolet Silverado Fitting Vacuum Power Brake Fitting

  • The Brake Booster How It Works In The Braking System

  • Chevrolet Silverado Valve Kit Vacuum Power Brake Booster

  • Diagram For For How The Brake Booster Linkage Connects To

  • 18060010

  • Power Brake Booster Removal U2013 The Corvette Restoration Page

  • Chevrolet S10 Fitting Vacuum Power Brake Fitting P B

  • 2007 Toyota Fj Cruiser Brake Booster Assembly With Master

  • Hydraulic Brake Booster

  • 05142501aa

Copyright © 2020 - CETNIEWO2017.VILOGDANSK.EU


1937 Comments