Diagram Database

Posted by on 2020-12-29

Force 75 Outboard Motor Diagrams

CETNIEWO2017.VILOGDANSK.EU

Force 75 Outboard Motor Diagrams

  • Motor Diagrams
  • Date : December 29, 2020
  • Downloaded : 6086 times

Force 75 Outboard Motor Diagrams Whats New

75 Outboard

Downloads Force 75 Outboard Motor Diagrams honda 75 outboard yamaha outboard 75 hp impeller replacement 75 outboard motor 75 outboard for sale

  • 1994 Yamaha Cylinder Crankcase Parts For 75 Hp C75tlrs

  • 1994 Yamaha Bracket 1 Parts For 75 Hp C75tlrs Outboard Motor

  • 2004 Yamaha Repair Kit 3 Parts For 75 Hp F75tlrc Outboard

  • Evinrude Cylinder U0026 Crankcase Parts For 1979 75hp 75942r

  • 1994 Yamaha Repair Kit 2 Parts For 75 Hp C75tlrs Outboard

  • 1996 Yamaha Top Cowling Parts For 75 Hp C75tlru Outboard Motor

  • Mariner 75 Hp Efi 4

  • Evinrude Starflite Gear Case Parts For 1960 75hp 50523

  • Mercury Marine 75 Hp 3 Cyl Electrical Components Parts

  • Evinrude Ignition System Parts For 1977 75hp 75743s

  • 1995 Yamaha Control Parts For 75 Hp C75tlrt Outboard Motor

  • Mercury Marine 75 Hp 3 Cylinder Electrical Usa

  • Mariner 75 Hp 4 Cylinder Carburetor Assembly Parts

  • 1962 Evinrude Starflite Ii 75 Hp Outboard Wiring Diagram

  • 1996 Yamaha Intake Parts For 75 Hp C75tlru Outboard Motor

  • Mercury Marine 75 Hp 4

  • Mercury Marine 75 Hp Efi 4

  • Mariner 75 Hp 3 Cyl Cylinder Block Usa Bel

  • I Have An Antique 1966 Chrysler 75 Hp Engine There Is No

  • Mercury Marine 75 Hp 3 Cylinder Electrical Components Parts

  • Force 75 Hp 1998 Carburetor Parts

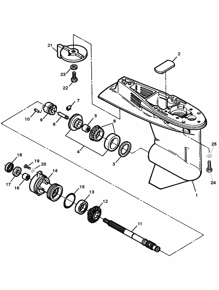
  • Force 75 Hp 1998 Gear Housing Assembly Parts

  • Mercury Marine 75 Hp Efi 4

  • Mercury Marine 75 Hp 4 Cylinder Carburetor Linkage Parts

  • Mercury Marine 75 Hp Efi 4

  • Mercury Marine 75 Hp 3 Cylinder Drive Shaft Housing Parts

  • Mercury Marine 75 Hp Efi 4

  • Johnson 1975 75 - 75esr75b Gearcase15 U0026quot Transom

  • Mariner 75 Hp 4 Cylinder Flywheel Stator U0026 Ignition

  • Anyone Remember Basskits

  • Fig 4 - Carburetor - Suzuki Dt 75 Parts Listings

  • Honda Outboard Motor Parts List

  • Force 50 Hp Wiring Diagram Needed Page 1

  • File Outboard Diagram-01 Svg

  • Download Free 70 Hp Johnson Outboard Manual Software

  • Chrysler 75 Hp 1975 Gear Housing Parts

  • For Aw Wiring Diagram For A Set 75 Hp Yamaha I Do Not

  • Mercury Marine 75 Hp 3 Cylinder Carburetor Wme 30

  • Mercury Marine 75 Hp 3 Cyl Gear Housing Driveshaft Parts

  • Mercury Marine 75 Hp Efi 4

  • Evinrude Carburetor Parts For 1957 7 5hp 15021 Outboard Motor

  • Mariner 75 Hp 4

  • Mercury Marine 75 Hp Dfi 3 Cylinder 1 5l Poppet

  • Old Outboard Literature Picture Gallery

  • I Have A 1998 50hp Mercury Outboard Motor Ser 0g6291554

  • Mercury Marine 75 Hp 3 Cylinder Fuel Pump Parts

  • Chrysler 75 Hp 1975 Motor Leg Parts

Copyright © 2020 - CETNIEWO2017.VILOGDANSK.EU


1937 Comments