Diagram Database

Posted by on 2020-12-30

Eurasia Airpressor Diagram Or Manual

CETNIEWO2017.VILOGDANSK.EU

Eurasia Airpressor Diagram Or Manual

  • Or Manual
  • Date : December 30, 2020
  • Downloaded : 5824 times

Eurasia Airpressor Diagram Or Manual Whats New

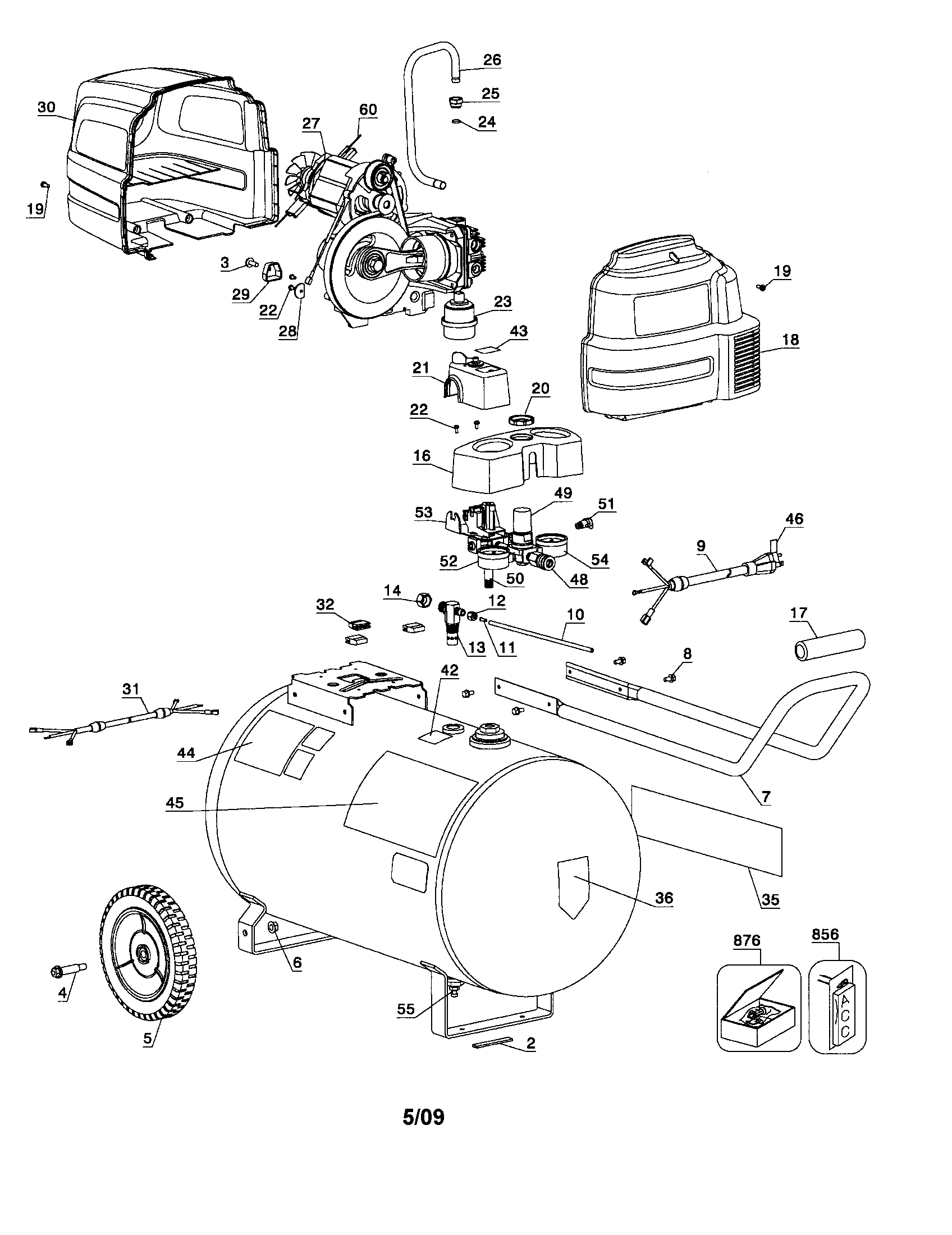
Airpressor Diagram

Downloads Eurasia Airpressor Diagram Or Manual air pressure diagram air pressure diagram for kids

  • Craftsman 919155730 User Manual Air Compressor Manuals And

  • Craftsman Air Compressor Parts

  • Craftsman Model 919164450 Air Compressor Genuine Parts

  • Craftsman Air Compressor Parts

  • Kobalt

  • Craftsman Air Compressor Parts

  • 35 Craftsman Air Compressor Parts Diagram

  • Craftsman Air Compressor Parts

  • Coleman Air Compressor Parts

  • Ingersoll Rand Air Compressor Manual

  • Glowshift 7 Color Series 200 Psi Air Pressure Gauge User

  • Sanborn Parts M109cl300

  • Air Compressor Wiring Diagram

  • Sears Craftsman 919 167630 Air Compressor Parts

  • Find Out Here Porter Cable 60 Gallon Air Compressor Wiring

  • Pressure Switch Unloader Model 20

  • Jobsmart Compressor Parts

  • Craftsman Air Compressor Parts

  • Coleman Powermate Sanborn 165b400 165b500 165bl500

  • Campbell Hausfeld Fp202801 Parts Diagram For Air

  • Devilbiss Irf5020 Air Compressor Parts

  • Diagram Of Atmospheric Pressure Vs Altitude Stock Vector

  • Craftsman 580762600 Gas Pressure Washer Parts

  • Campbell Hausfeld Cw301300aj Parts Diagram For Pressure

  • Viair 420c Chrome Air Compressor

  • Emglo E810

  • Bostitch Cwc100 Air Compressor Parts Bostitch Parts

  • Ingersoll Rand Wiring Schematic

  • Air Compressor Wiring Diagram 230v 1 Phase

  • Glowshift Air Pressure Gauge Wiring Diagram

  • Ryobi Ry80030 Parts List

  • 21 Images Square D Manual Motor Starter Wiring Diagram

  • Ingersoll Rand T30 2340 Two Stage Air Compressor Parts

  • 85 105 Psi 80101 Pressure Switch 12v 24v Air Compressors

  • Airfoil Plane Diagram Stock Vector Illustration Of Vector

  • Viair 444c Wiring Diagram

  • Campbell Hausfeld Air Compressor Wiring Diagram

  • Why Do Your Ears Pop When The Airplane Takes Off

  • Craftsman Air Compressor Parts

  • Husky H1820f H1826f Air Compressor Parts Husky Parts

  • Innovative Pneumatics Are Realized In Subsystem Design

  • Husky E103774 Air Compressor Parts

  • Refrigeration Compressor Wiring Diagram

  • Hill Pump

  • Speedaire 3z492a Air Compressor Parts

  • Parts Parts Diagram Parts List No Description Qty Part

  • Craftsman Compressor Parts

  • Craftsman 919155730 User Manual Air Compressor Manuals And

  • Wiring

  • Craftsman Air Compressor Parts

  • High And Low Pressure Diagram

  • Craftsman Air Compressor Parts

  • Oil-lubricated Type Screw Compressor 15

  • What Is Atmospheric Air Pressure And Wind Hadleys Cell

  • Front To Back Manual Valve Set Up Air Management

  • Propane Regulator Propane Regulator Parts Diagram

  • Speedaire 3z323e Air Compressor Parts

  • Engineering Bulletin How To Keep Attachments Running

  • Speedaire 3z355j Air Compressor Parts

  • Craftsman Air Compressor Parts

Copyright © 2020 - CETNIEWO2017.VILOGDANSK.EU


1937 Comments