Diagram Database

Posted by on 2020-12-30

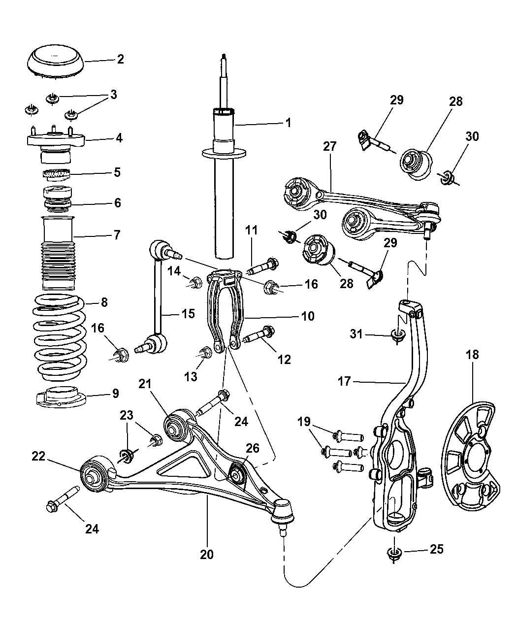
Engine 2006 Dodge Magnum 3 5 Exploded Diagram

CETNIEWO2017.VILOGDANSK.EU

Engine 2006 Dodge Magnum 3 5 Exploded Diagram

  • Exploded Diagram
  • Date : December 30, 2020
  • Downloaded : 5731 times

Engine 2006 Dodge Magnum 3 5 Exploded Diagram Whats New

2006 Dodge Magnum 3 5

Downloads Engine 2006 Dodge Magnum 3 5 Exploded Diagram

  • Dodge Magnum Warning Lights Diagram

  • 4895748ab

  • 4792239ab

  • 2006 Dodge Dakota St Quad Cab 3 7l Magnum V6 A T 4x4 Foam

  • 2006 Dodge Magnum R T 5 7l Hemi V8 Fitting Fitting Kit

  • 4792924ab

  • Dodge Magnum Engine Intake Manifold 3 5 Liter Upper

  • 5175232aa

  • 2006 Dodge Magnum R T 5 7l Hemi V8 O Ring Plug Adapter

  • Cc5 Dodge 3 7 Engine Diagram

  • 05189795aa

  • 4578073ad

  • 2006 Dodge Charger Rivet Db Trim All Trim Codes

  • 2006 Dodge Dakota Slt Quad Cab 3 7l Magnum V6 A T 4x4 Base

  • 2006 Chrysler 300 Engine Diagram

  • 2006 Dodge Magnum Power Distribution Center

  • 4782518ad

  • 2007 Sxt Magnum 3 7 Sensors Location

  • Main Belt Diagram For A Dodge Charger 2006 3 5

  • 4578157ab

  • 2010 Dodge Charger Engine Diagram

  • 2006 Dodge Magnum R T 5 7l Hemi V8 Label Fire

  • I Have Problem With My Dodge Magnum U00e2 U20ac U201c 2006 Sxt 3 5 High

  • Yg 5744 Dodge Magnum Hemi Engine Diagram Schematic Wiring

  • I Need The Power Supply Diagram For A 2006 Dodge Magnum

  • 2006 Dodge Magnum Oxygen Sensors

  • Dodge 3 5 Engine Diagram

  • Dodge Magnum Warning Lights Diagram

  • Mazda 3 2008 Fuse Box Diagram

  • 2006 Dodge Magnum Fuse Box Diagram

  • 2006 Dodge Charger 3 5 Vin 2b3ka43g76h360457 Need Diagram

  • 2006 Dodge Magnum Engine 27 L V6

  • Dodge Magnum Warning Lights Diagram

  • 35 06 Chrysler 300 Fuse Box Diagram

  • 33 2005 Chrysler 300 Serpentine Belt Diagram

  • 5059201af

  • Dodge Magnum Catalytic Converter Front

  • Dodge Magnum Radiator Coolant Hose Lower 2 7 U0026 3 5

  • Dodge Magnum Latch Front Door Left With Keyed Entry

  • 29 2006 Chrysler 300 Serpentine Belt Diagram

  • Fuse Panel Diagram For 2007 Dodge Charger

  • 4607106ad

  • F05e53 2006 Hemi Engine Wiring Diagram

  • Chrysler 300 Engine Control Module 3 5 Liter Charger

  • Dodge Magnum Warning Lights Diagram

  • I Need The Power Supply Diagram For A 2006 Dodge Magnum

  • Wiring Diagram 34 2007 Dodge Charger 27 Engine Diagram

  • 2006 Dodge Magnum Wiring Doors U0026 Liftgate

  • Dodge Magnum Oil Hose Cooler Automatic Tube

  • Dodge Magnum Tube Vapor After 5 12 05 Fuel Lines

  • Dodge Charger 3 5 Engine Diagram

  • 35 06 Chrysler 300 Fuse Box Diagram

Copyright © 2020 - CETNIEWO2017.VILOGDANSK.EU


1937 Comments