Diagram Database

Posted by on 2020-12-30

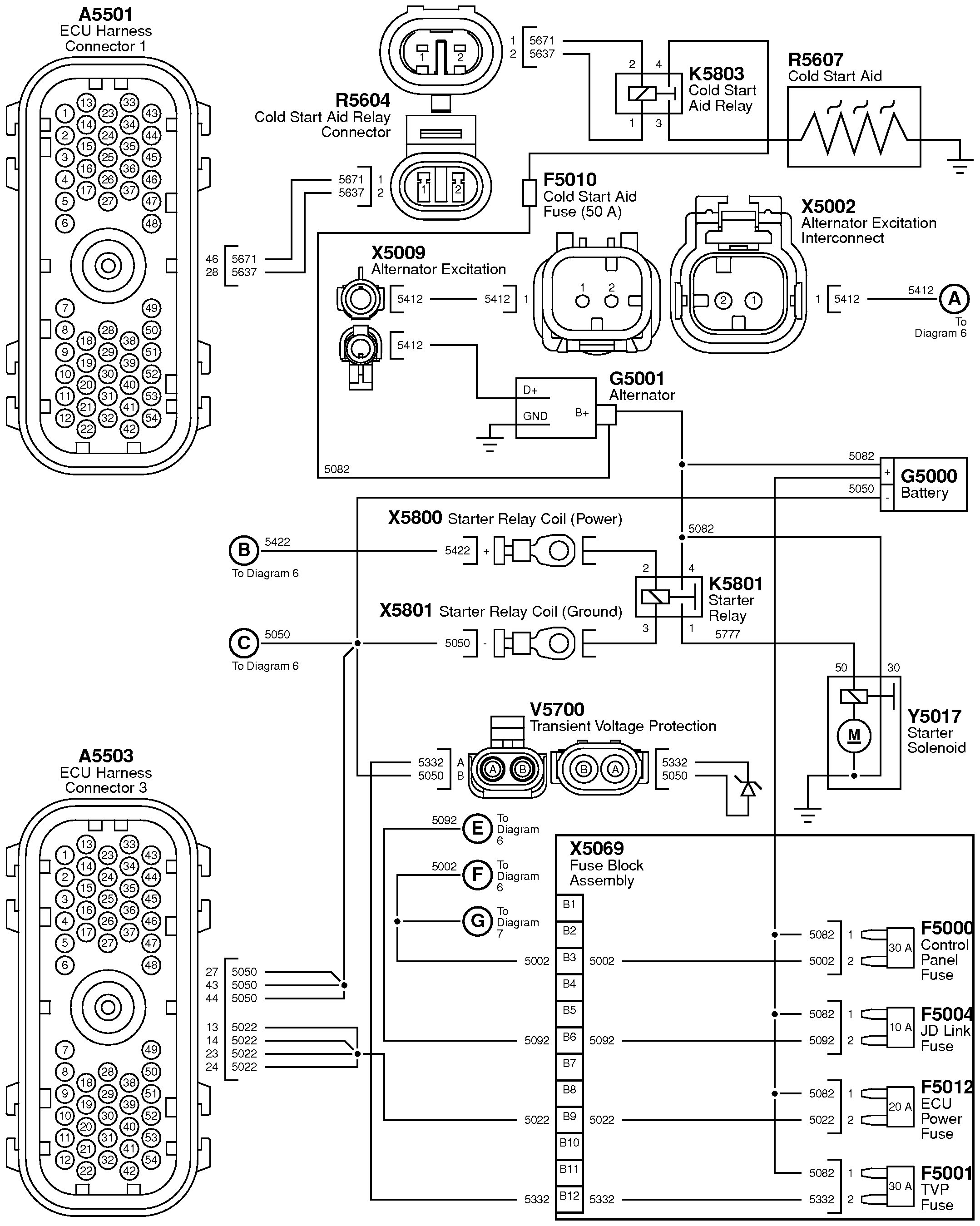
Denso 468100 5092 Wiring Diagram

CETNIEWO2017.VILOGDANSK.EU

Denso 468100 5092 Wiring Diagram

  • Wiring Diagram
  • Date : December 30, 2020
  • Downloaded : 6098 times

Denso 468100 5092 Wiring Diagram Whats New

468100 5092

Downloads Denso 468100 5092 Wiring Diagram

  • Diagram Denso 468100 5092 Wiring Diagram Full Version Hd

  • File Denso 468100 5092 Wiring Diagram

  • Diagram Denso 468100 5092 Wiring Diagram Full Version Hd

  • Diagram Denso 468100 5092 Wiring Diagram Full Version Hd

  • Diagram Denso 468100 5092 Wiring Diagram Full Version Hd

  • Four Five Channel Rc Cars

  • 34 Mercury Outboard Throttle Cable Diagram

  • Diablosport Predator Wiring Diagram

  • Omrg39496

  • U0026 39 93 Taurus Need Wiring Diagram Help

  • Diablosport Predator Wiring Diagram

  • Denso Dw468100

  • Draw Wiring Diagram Arduino

  • Toggle Switch For Headlights

  • Corsa B Horn Wiring Diagram

  • Denso Dw468100

  • Ford 460 Torque Mini Starter Wiring Diagram

  • Ford 460 Torque Mini Starter Wiring Diagram

  • Kenworth T680 Headlight Wiring Diagram

  • Corsa B Horn Wiring Diagram

  • 31 Fifth Wheel Parts Diagram

  • Ford 460 Torque Mini Starter Wiring Diagram

  • Unique Power Wiring Diagram Diagram Wiringdiagram

  • Diablosport Predator Wiring Diagram

  • 12v Relay For Kc Lites How Does This Work

  • Sony Cdx

  • Fujitsu Ten 86120 Wiring Diagram

  • Toshiba Tv Wiring Diagram

  • 31 Fifth Wheel Parts Diagram

  • Img 5092 U2013 Gs450lie

  • Husqvarna Lt151 01

  • Ford 460 Torque Mini Starter Wiring Diagram

  • 31 Fifth Wheel Parts Diagram

  • Denso Wiring Diagram

  • 34 2007 Dodge Caliber Parts Diagram

  • Kit Car Wiring Diagram

  • Colored Wiring Diagrams Challenger In Electrical

  • Safety Wire Diagrams

  • Ford 460 Torque Mini Starter Wiring Diagram

  • Relays - Question - Page 2 - Ducati Ms

  • Diagram Draw Tite Activator Wiring Diagram Full Version

  • Rig Wiring Diagram

  • Marine Parts Plus Mercruiser Serial 225 4 Bbl Ford 302

  • Schema 2005 Ford E 350 Fuse Box Diagram Full Version Hd

  • 97 Cadillac Catera Wiring Diagram

  • Ford 460 Torque Mini Starter Wiring Diagram

  • Apm-minimosd-telemetry Radio Diagram

  • Toshiba Tv Wiring Diagram

  • Really Lost

  • Amp Bypass With New Head Unit On 2004 Rx330

  • Toshiba Tv Wiring Diagram

  • Toshiba Tv Wiring Diagram

  • 2004 Pontiac Montana Wiring Diagram

  • Relays - Question - Page 2 - Ducati Ms

  • Blower Motor Harness

  • G5092-5 By Grote Tail Turn Red Lh W

  • Colored Wiring Diagrams Challenger In Electrical

Copyright © 2020 - CETNIEWO2017.VILOGDANSK.EU


1937 Comments