Diagram Database

Posted by on 2020-12-29

Dc Inverter Compressor Wiring Diagram

CETNIEWO2017.VILOGDANSK.EU

Dc Inverter Compressor Wiring Diagram

  • Wiring Diagram
  • Date : December 29, 2020
  • Downloaded : 6994 times

Dc Inverter Compressor Wiring Diagram Whats New

Inverter Compressor

Downloads Dc Inverter Compressor Wiring Diagram inverter compressor inverter compressors dc inverter compressor ac inverter compressor hvac inverter compressor ptac inverter compressor type inverter compressor noise inverter compressor brands inverter compressor tester inverter compressor checker inverter compressor control inverter compressor advantages inverter compressor definition inverter compressor technology inverter compressor refrigerator inverter compressor mini split inverter compressor drive error inverter compressor drive error fix inverter compressors for air conditioner inverter compressor vs linear compressor inverter compressor vs normal compressor inverter compressor vs digital compressor inverter compressor vs 2 stage compressor

  • Inverter Compressor Wiring Diagram

  • Compressor Hermetic Scroll C-sdp330h02b Panasonic

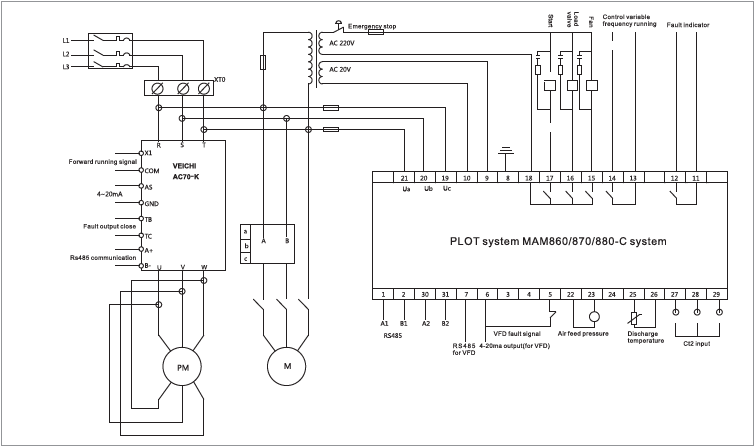
  • Veichi Ac70

  • Ge Refrigerator Inverter Compressor Schematic

  • Dc Inverter Air Conditioner Working Principles

  • Fuji Electric Motor Wiring Diagram

  • Generac Air Compressor

  • Dc Inverter Compressor Wiring Diagram

  • V U0026t Ecodrivecn U00ae Inverter Variable Frequency Drive In Air

  • Inverter Compressor Wiring Diagram

  • 12v Dc To 220v Ac Inverter U2013 Circuit Wiring Diagrams

  • Compressor Wiring Diagram Single Phase U2014 Untpikapps

  • New Wiring Diagram Ac Sharp Inverter Diagram

  • Split Air Conditioner Wiring Diagram

  • Bd35f 12v 24v Dc Inverter Compressor With Control Board

  • 3ph 6hp Dc Inverter Driver Board Hmd4w

  • Rotary Compressor Gmcc Da150s1c 20fz

  • Under The Ice Mitsubishi Electric Mr Slim Pka

  • I Have A Ge Refrigerator Model Pss26sgpass Side

  • Air Conditioner C S R Wiring Diagram Compressor Start Full

  • Ht6 A C Compressor Wiring Diagram

  • Wiring Diagram Ac Daikin Inverter Images 505

  • Rotary Phase Converter That Only Runs When The Compressor Runs

  • Do It By Self With Wiring Diagram How To Connect Ups

  • How Does A Bldc Motor Works

  • Lg Linear Compressor Diagram

  • Split Air Conditioner Wiring Diagram

  • Rotary Compressor R410a Wiring Diagram

  • Refrigerator Conversion

  • Capacitor

  • Wiring Diagram Refrigerator Compressor U2013 Wiring Diagram

  • Pwm Dc Motor Speed Controller Vfd 22 Kw Ac Drive Vsd

  • Dc Inverter Compressor Wiring Diagram

  • Wiring Diagram Ac Inverter Panasonic

  • Sanyo Compressor Wiring Diagram

  • Inverter Runs Gas Absorption Cooling Unit

  • Air Conditioner Compressor Electrical Circuit Diagram

  • Lg Linear Compressor Diagram

  • Air Conditioner Compressor Electrical Circuit Diagram

  • Simple And Clean Dc To Ac Inverter Remote Switch On Mod

  • Bd35f Secop Inverter Compressor 12v Dc

  • 97728-e6000

  • Patent Us5262704

  • Patent Us5592754

  • Lg Linear Compressor Diagram

  • Veichi Ac100

  • Lg Linear Compressor Diagram

  • Resistor De 220 Volts

  • Guanzhou Trusty International Co Ltd

  • Air Conditioning Systems Tips And Guide

  • Frequency Inverter

  • 12v Dc To 220v Ac Inverter U2013 Circuit Wiring Diagrams

Copyright © 2020 - CETNIEWO2017.VILOGDANSK.EU


1937 Comments