Diagram Database

Posted by on 2020-12-29

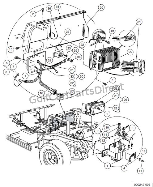
Club Car Solenoid Wiring Diagram Controller

CETNIEWO2017.VILOGDANSK.EU

Club Car Solenoid Wiring Diagram Controller

  • Diagram Controller
  • Date : December 29, 2020
  • Downloaded : 6614 times

Club Car Solenoid Wiring Diagram Controller Whats New

Car Solenoid Wiring

Downloads Club Car Solenoid Wiring Diagram Controller club car starter solenoid wiring diagram car solenoid wiring car solenoid wiring diagram

  • Wiring Diagram For 2013 48 Volt Ez Go Solenoid

  • Looking For No 4 Solenoid Wiring Diagram

  • Solenoid U2013 Circuit Wiring Diagrams

  • Club Car Ds I Have A 1986 Club Car That All Of A Sudden It

  • Club Car 36v Forward Reverse Switch Wiring Diagram

  • 2002 48 Volt Club Car Iq Solenoid Wiring Diagram

  • 2002 48 Volt Club Car Iq Solenoid Wiring Diagram

  • 2002 48 Volt Club Car Iq Wiring Diagram Solenoid

  • Simple Disconnect For Street Cars

  • My Cart Will Not Move When I Turn The Ignition On There

  • Ford Solenoid Wiring Diagram Wiring Diagram Blog Ford

  • 5 Pin 30 Amp Relay Wiring Diagram Best Of 12v

  • I Have A 86 Club Car And Ordered A New 36 Volt Solenoid

  • Alltrax Controller Wiring Diagram

  • Typical Starter Relay Wiring Diagram Kubota

  • How To Connect Ignition Switch

  • Giantz 12v Winch Controller Solenoid 500a Dc Switch 4wd

  • Wiring Starter

  • 36 Volt Ez Go Golf Cart Solenoid Wiring Diagram

  • 2002 48 Volt Club Car Iq Solenoid Wiring Diagram

  • Mark Iii Solenoid Removal

  • 2002 48 Volt Club Car Iq Solenoid Wiring Diagram

  • Headlight Relay Kit A More Factory Looking Alternative

  • Rebel Wire Look Wiring Diagrams

  • 12v Starter Solenoid Wiring Diagram U2014 Untpikapps

  • Understanding The U0026quot Mag Switch U0026quot U0026 Cummins Marine Engine

  • Diy Project Tutorial Led Car Lighting

  • General U2013 Bob U0026 39 S Garage Library

  • Kenworth Starter Relay Wiring Diagram

  • Understanding Automotive Relays

  • Using Relays In Automotive Wiring

  • How Do I Install A Solenoid In A 1987 Van

  • 2002 48 Volt Club Car Iq Solenoid Wiring Diagram

  • Starter Starting Without Ignition Switch

  • 30 Automotive Relay Wiring Diagram

  • F L Starter Wiring Schematic

  • Basic Relay Diagram - Iow What Goes Where

  • Does Anyone Know How To Wire Up A Relay For Trunk Pop

  • Drag Racing With Jim Hand U2013 Part 18 Pontiac Cranking

  • Air Horn Wiring Diagram Switch Dual Relay 12v Car Nitro

  • Wiring Diagram For 2013 48 Volt Ez Go Solenoid

  • 2002 48 Volt Club Car Iq Solenoid Wiring Diagram

  • Anti Theft Remote Relais

  • Automotive Horns

  • Ik Ben Een Autoliefhebber 4 Pole Starter Solenoid Wiring

  • Obc Computer Controller And Solenoid U2013 Electric Vehicle

  • 12v Starter Solenoid Wiring Diagram U2014 Untpikapps

  • Solenoid And Resistor Assy

  • 1996 Lincoln Town Car Wiring Diagram

  • 48 Volt Club Car Solenoid Wiring

  • How To Wire An Automotive Relay

  • Electrical

  • How To Install A Fan Controller

  • Flex A Lite Electric Fan Wiring Diagram Gallery

  • 12 Volt Winch Solenoid Wiring Diagram

  • Ignition Wire Wiring Up Lighted Switches

  • Temperature Controller Wiring Diagram Sample

Copyright © 2020 - CETNIEWO2017.VILOGDANSK.EU


1937 Comments