Diagram Database

Posted by on 2020-12-30

C Band Lnb Circuit Diagram

CETNIEWO2017.VILOGDANSK.EU

C Band Lnb Circuit Diagram

  • Circuit Diagram
  • Date : December 30, 2020
  • Downloaded : 7200 times

C Band Lnb Circuit Diagram Whats New

Band Lnb

Downloads C Band Lnb Circuit Diagram bank lnb band inbox band lbs bandlanb.com bandlab band nba band nba shoes band labs band l backflow band lab recording studio app band lumber douglas az band lab app from play store band labz band labes band label band labelle band lab as band lab vst band lab code band lab feed band lab mix band lab test band lab ucsf

  • Ea3bc C Band Lnb Circuit Diagram

  • Secret Diagram Useful Wiring Diagram Quad Lnb

  • Block Diagram Of Orbital Research Lnb

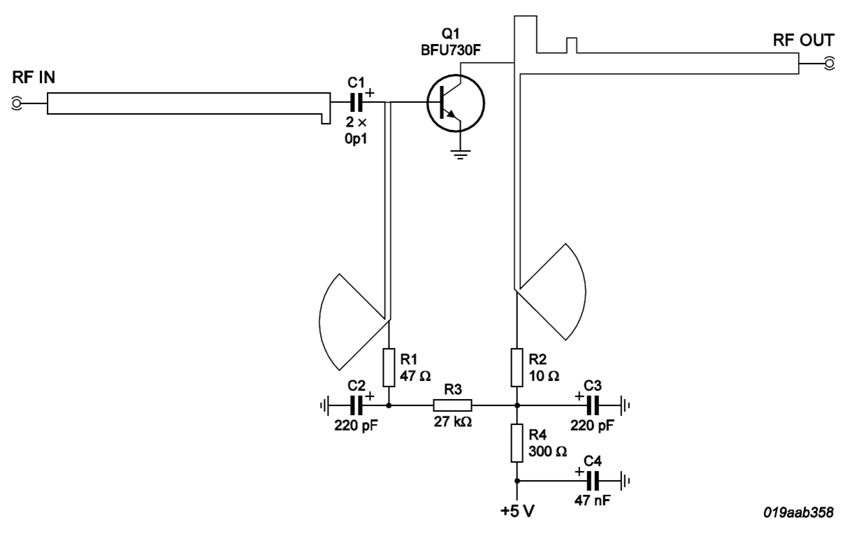
  • Second Stage Ku Band Lna Using Bfu730f In A Lnb Satellite

  • Off

  • Lnb Circuit Diagram

  • Ea4eoz An Amateur Radio Electronic Enthusiast Lnb And

  • New Japan Radio Njrc Njr2825 Inmarsat Global Express Ka

  • Other Cables U0026 Adapters

  • Teledyne Paradise Datacom Redundant Low Noise Block

  • Lnb Power Supply

  • Dual Polarisation Lnb Block Diagram With Stacked Output

  • Lnb

  • G0mrf Uhf

  • Other Cables U0026 Adapters Dual Lnb For

  • Usb To Lnb Power Supply How I Converted My Hackrf To A

  • Hardware

  • Directv Swm Lnb Wiring Diagram

  • File Dish Network Lnb Wiring Diagram

  • 13cms Some Interesting Projects

  • Lna2 Modifications

  • Version 6 - History - C Band Lnb Ext Ref Mod

  • Testing A Prototype Of The Outernet L

  • Bluecap As 10 Ghz Transmitter

  • C Band Lnb Ext Ref Mod - Miscellaneous Projects

  • Comtech Ef Data Klna Ku

  • File Lnb Dissassembled Jpg

  • Gaas Fet Bias Circuit

  • Big Dish Satellite T V Dish Components

  • Kf5obs 2 C-band Lnb Teardown

  • Swm 5 Lnb Wiring Diagram

  • Dish Network Satellite Wiring Diagram

  • Directv Swm Lnb Wiring Diagram

  • Winegard Satellite Wiring Diagram

  • Sea Tel St144 Dual C Quad Ku Cobham

  • Circular Or Linear Lnb Whats The Difference

  • Patent Us6678012

  • Hardware

  • Lnbdc

  • Need Advice With Switch And Splitters

  • Lnb Circuit Schematic

  • Norsat 9200haeb

  • Tff1017hn Nxp Semiconductors

  • Norsat 8520 C

  • Circuit Of Low Noise Block Lnb From Satellite Dish Stock

  • Comtech Ef Data Dst

  • Slimline Lnb Wiring Diagram

  • Equalizer Circuit Diagram

  • Swm Lnb Wiring Diagram

  • A Typical Schematic Of Mim Band Diagram With Fn Tunneling

  • Adjustable Lnb Power Supply Is Diseqc Compatible

  • L U0026 S Band Lna

  • Bluecap As 10 Ghz Transmitter

  • A Band Structure Schematic Diagram And B Pl Spectra Of The

  • Ka

  • How To Combine Aerials Lnb Into One Cable

Copyright © 2020 - CETNIEWO2017.VILOGDANSK.EU


1937 Comments