Diagram Database

Posted by on 2020-12-30

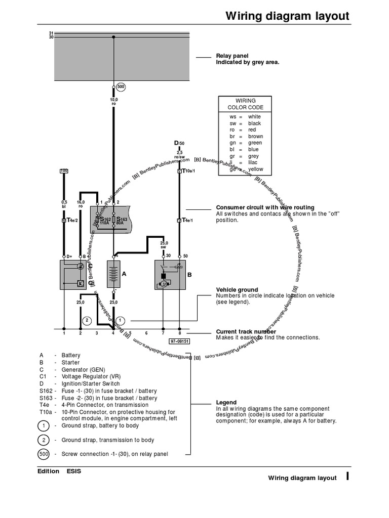
Bosch Starter Wiring Diagram Vw 1 8

CETNIEWO2017.VILOGDANSK.EU

Bosch Starter Wiring Diagram Vw 1 8

  • 1 8
  • Date : December 30, 2020
  • Downloaded : 6302 times

Bosch Starter Wiring Diagram Vw 1 8 Whats New

Starter Wiring Diagram Vw

Downloads Bosch Starter Wiring Diagram Vw 1 8 vw beetle starter wiring diagram vw starter wiring diagram starter wiring diagram 07 ford focus starter wiring diagram ford 555 starter wiring diagram for tractor starter wiring diagram for 350 chevy starter wiring diagram for 1990 camaro starter wiring diagram for mtd riding mower starter wiring diagram for 6610 ford tractor starter wiring diagram for a 1999 ford ranger starter wiring diagram for volvo penta 4.3 gl starter wiring diagram for 1995 ford f350

  • Wiring Diagram 2001 Vw 1 8 Non Turbo Engine

  • The Cam Chain Tensioner On A 2001 1 8 Turbo Beetle Has A

  • I Have A 1 8 1999 Vw Passat There Is No Power In Fues 28

  • Fourtitude Com

  • 99 Vw Passat 1 8 20 Valve Turbo Manual Trans I Recently

  • I Have A 2000 New Beetle 1 8t Which Has Developed A 3

  • 99 Vw Passat 1 8 20 Valve Turbo Manual Trans I Recently

  • 1988 Vw Cabriolet Starter Wiring Diagram

  • I Have A 2000 Passat 2 8 5sd It Will Not Crank I Would

  • Vw Beetle Starter Wiring Diagram U2014 Untpikapps

  • 1965 Vw Starter Wiring Diagram Schematic

  • 92 Vw Jetta Shoulder Harness Connection Is Bad Have To

  • Volkswagen Jetta 2 0 2010

  • 74 Vw Super Beetle Wiring Diagram

  • 2003 Golf Gti Vr6 Manual Tran When The Temperature Drops

  • Vwvortex Com

  • Vwvortex Com

  • Vw 1 8t Engine Wiring Diagram

  • Vw Beetle Starter Wiring Diagram U2014 Untpikapps

  • 45 Best Images About 69 Bug Or 69 Dune Buggy On Pinterest

  • Newbeetle Org Forums

  • Volkswagen Eurovan 2003 Auxiliary Battery Wiring Diagram

  • Vw Beetle Starter Wiring Diagram U2014 Untpikapps

  • 89 Vw Cabriolet Clutch And It Runs Fine Jump Starter

  • 30 New Vw Beetle Starter Wiring Diagram

  • Vw Generator To Alternator Conversion Wiring Diagram

  • Thesamba Com Type 2 Wiring Diagrams

  • Inspirational Of Vw Golf 1 Wiring Diagram Electrical

  • More Rodent Damage

  • Vw Golf Gti Mk5 Fuse Box Diagram

  • Vw Rabbit Forum U0026quot 81 Diesel Rabbit Truck Starter Issues

  • I Want To Know If I Should Replace The Starter On My 2004

  • Whats The Wiring Diagram For The Starter Thers Three Wires

  • Vw Bosch Alternator Wiring Diagram

  • Wiring Diagram For 1997 Vw Cabrio Cruisecontrol

  • Thesamba Com Beetle - Late Model Super - 1968-up

  • Vw Beetle Starter Wiring Diagram U2014 Untpikapps

  • 1965 Vw Starter Wiring Diagram Schematic

  • Mk2 Golf Starter Motor Wiring Diagram

  • 2000 Jetta Starter Wiring Diagram Brilliant Vw Golf 1

  • Vw 1 8 T Engine Diagram

  • Vw Alternator - Vw Generator

  • Vw Beetle Starter Wiring Diagram Fantastic Vw Beetle

  • Audi Wiring Diagram

  • Vw Wiring Diagram

  • Volkswagen Workshop Manuals U0026gt Passat Gls Wagon V6 V6

  • 2003 Jetta 1 8t My High Temp Alarm Comes On And Off

  • 1988 Vw Cabriolet Starter Wiring Diagram

  • 1978 Vw Beetle Starter Wiring Diagram Schematic

  • We Are Your Friends Images1 Wiring Diagram For 1971 Vw Beetle

  • Vw Pat Wiring

  • Thesamba Com Vanagon - View Topic

  • Fuse Box Diagram For A 2003 Vw Jettum 1 8t

  • 1985 Mk1 Vw Rabbit Gti Wiring Diagram

  • Radiator Fan Relay U2013 Page 5 U2013 Circuit Wiring Diagrams

  • 2003 Vw Jetta Starter Wiring Diagram

  • 2000 Vw Passat Engine Diagram

Copyright © 2020 - CETNIEWO2017.VILOGDANSK.EU


1937 Comments