Diagram Database

Posted by on 2020-12-30

Bobcat 643 Wiring Diagram

CETNIEWO2017.VILOGDANSK.EU

Bobcat 643 Wiring Diagram

  • Wiring Diagram
  • Date : December 30, 2020
  • Downloaded : 5906 times

Bobcat 643 Wiring Diagram Whats New

643

Downloads Bobcat 643 Wiring Diagram 643x5 6439x6 6434 lexington 643x4 643x2 643x35 643/8 643/80 643+300 643+1284 643230-1 643boxbreaks 643 area code 6430 john deere 643dwd lock 6430 john deere tractor 6431 alum creek groveport 643 baseball 643 sea view dr 32541 6430 tacoma mall blvd 643 mica lane chesnee sc 6437 ridglea crest drive fort worth texas 6433 lee ave murfreesboro tn 6439 malibu drive columbus ga 6438 rockhill rd kansas city mo

  • United Motors Service

  • Yard

  • Wiring Diagram Lampu Kepala Sepeda Motor Honda Images 643

  • Bobcat Starter Wiring Diagram Popular 643 Bobcat Wiring

  • Yard

  • Bobcat 641 642 643 Skid Steer Loader Service Repair

  • Bobcat Carpet Cleaning Los Angeles

  • Bobcat 641 642 643 Skid Steer Loader Service Repair

  • Bobcat 643 Skid Steer Engine Electrical Wiring Diagram

  • Bobcat 641 642 643 Skid Steer Loaders Service Manual Pdf

  • Bobcat 641 642 643 Skid Steer Loaders Service Manual Pdf

  • Bobcat Skid Steer Wiring Diagram

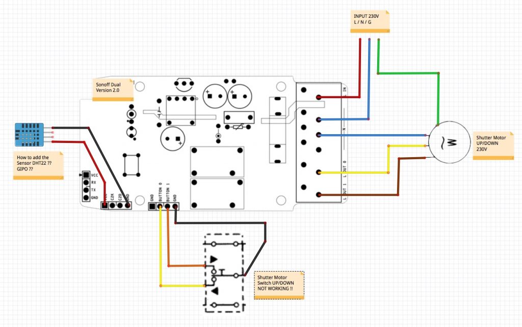
  • How To Use Sonoff Dual For Rolling Shutters U00b7 Issue 721

  • 12 Wire 3 Phase Motor Wiring Diagram

  • 69 Gto Wiring Diagram

  • 12 Wire 3 Phase Motor Wiring Diagram

  • Bobcat 643 743 Skid Steer Engine Electrical Wiring Diagram

  • Universal Headlight Switch Wiring Diagram

  • Allison Transmission Manual

  • Bobcat 553 Repair Manual Skid Steer Loader 516311001

  • Bobcat Service Manual 2018

  • Bobcat 643 743 Skid Steer Engine Electrical Wiring Diagram

  • Bobcat 553 Repair Manual Skid Steer Loader 516311001

  • 12 Wire 3 Phase Motor Wiring Diagram

  • Horton 4100 Series Wiring Diagram

  • Bench Amplifier Circuit Diagram 62073

  • Parts Scheme Wiring Diagram

  • Bobcat Service Manual 2018

  • Prestolite Batteryles Alternator Wiring Diagram

  • Bobcat Schematics Manual Full Set Dvd On Aliexpress Com

  • Allison Transmission Parts Diagram Manual

  • Wiring Diagram Kenwood Deck

  • 1971 Chevelle Wiper Wiring Diagram

  • Rf

  • Bobcat 641 642 642b 643 Loader Factory Service U0026 Shop

  • Hh 6223 Bobcat Control Valve Diagram Wiring Diagram

  • Bobcat T190 Electrical Schematics

  • Wiring Diagram Kodak C 743

  • Bobcat Toolcat 5600 Service Manual Utility Work Machine

  • Horton 4100 Series Wiring Diagram

  • Rj12 Socket Wiring Diagram Auto Electrical Wiring Diagram

  • Fghf2366pf8a

  • Carrier Heat Pump Fan Relay

  • Horton 4100 Series Wiring Diagram

  • 13ad624g643 2002 Zg 6170 Wiring Diagram

  • Volvo T5 Engine Diagram

  • 742b Bobcat Wiring Diagram

  • Xbox One Controller Png

  • Bobcat Skid Steer Wiring Diagram

  • Om636 Wiring Diagram

  • Olympian Generator Wiring Diagram 4001e Gallery

  • Suzuki Na12s Wiring Diagram Database

  • Porsche 914 Engine Dolly Diagram

  • 31 Rcs Actuator Wiring Diagram

  • Skid Steer Loader Wiring Diagram

  • Yardman 15 Wiring Diagram

  • John Deere 643 Corn Head Parts Catalog

  • Hh 6223 Bobcat Control Valve Diagram Wiring Diagram

Copyright © 2020 - CETNIEWO2017.VILOGDANSK.EU


1937 Comments