Diagram Database

Posted by on 2020-12-30

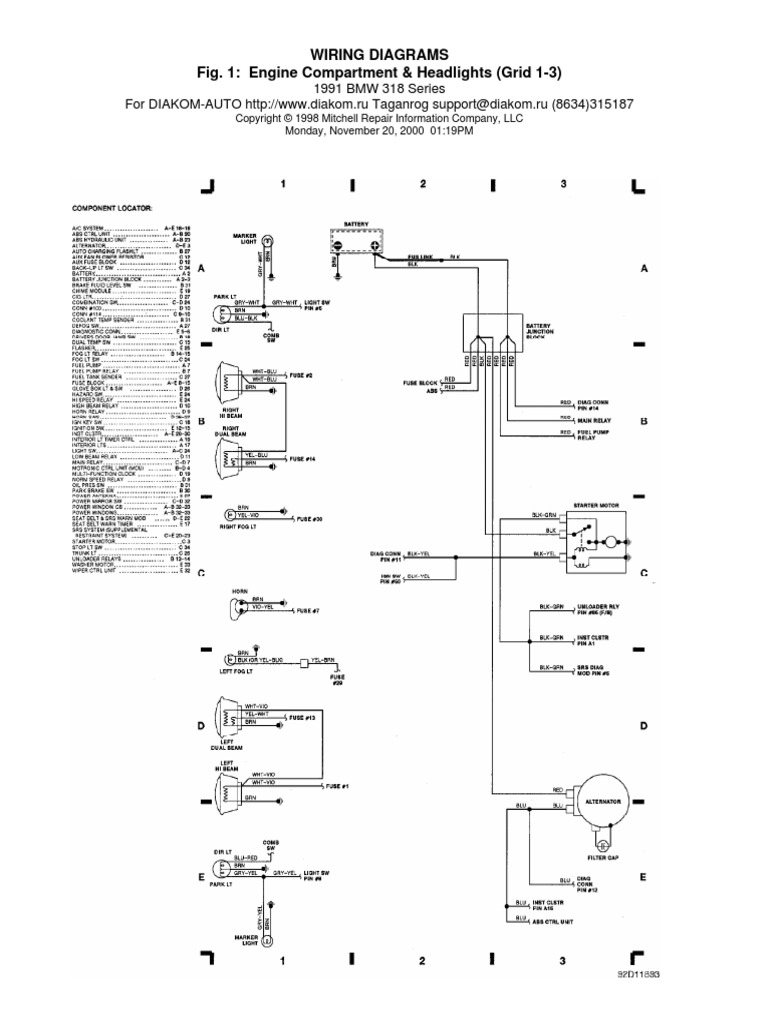
Bmw E36 318 Tds Wiring Diagram

CETNIEWO2017.VILOGDANSK.EU

Bmw E36 318 Tds Wiring Diagram

  • Wiring Diagram
  • Date : December 30, 2020
  • Downloaded : 7295 times

Bmw E36 318 Tds Wiring Diagram Whats New

E36 318 Tds

Downloads Bmw E36 318 Tds Wiring Diagram e36 318ti e36 318ti spec e36 318ti weight

  • Bmw E36 318 Tds Wiring Diagram

  • Bmw E36 318 Tds Wiring Diagram

  • Bmw E36 318 Tds Wiring Diagram

  • Bmw 318i E36 Wiring Diagram

  • Bmw 318i E36 Wiring Diagram

  • 3

  • Repair

  • Bmw E36 Motor Schaltplan

  • Bmw Workshop Manuals U0026gt 3 Series E36 318tds M41 Sal U0026gt 2

  • Bmw Workshop Manuals U0026gt 3 Series E36 318tds M41 Sal U0026gt 2

  • Bmw 318ti 1997 Electrical Repair

  • Youan Bmw E30 318i Ecu Location

  • Repair

  • Bmw 3

  • Schaltplan E36 Compact Pdf

  • E36 Comfort Relay Wiring Diagram

  • E36 Schaltplan

  • Bmw Workshop Manuals U0026gt 3 Series E36 318ti M42 Comp U0026gt 2

  • E36 Comfort Relay Wiring Diagram

  • Diagram Bmw E36 Wiper Wiring Diagram Full Version Hd

  • Schaltplan E36

  • Schaltplan E36 Compact Pdf

  • Original Parts For E36 325tds M51 Touring Engine

  • Schaltplan E36 Compact Pdf

  • Home Bmw E36 M3 Fuse Box Relay Layout 318i Warning Symbols

  • E36 Comfort Relay Wiring Diagram

  • Bmw E36 318 Tds Wiring Diagram

  • E36 Comfort Relay Wiring Diagram

  • Schaltplan E36

  • Bmw Workshop Manuals U0026gt 3 Series E36 325tds M51 Tour U0026gt 2

  • M51d25 Tds Wiring Conversion Bmw E30 Notes

  • E36 Compact Fuse Box

  • Wiring Diagram Bmw E36 Harman Kardon

  • Diagram Bmw E36 Wiper Wiring Diagram Full Version Hd

  • Wiring Diagram Bmw E36 Harman Kardon

  • Diagram Bmw E36 Wiper Wiring Diagram Full Version Hd

  • Schaltplan E36 Compact Pdf

  • E36 Comfort Relay Wiring Diagram

  • E36 Schaltplan Blinker

  • Repair

  • Bmw 318i E36 Wiring Diagram

  • Bmw E36 Stereo Wiring Diagram

  • E36 Compact Wiring Diagram

  • Schaltplan E36

  • Repair

  • Bmw 318i E36 Wiring Diagram

  • Schaltplan E36

  • Bmw Workshop Manuals U0026gt 3 Series E36 318tds M41 Comp U0026gt 2

  • 1997 Bmw 318i Wiring Diagram

  • Schaltplan E36 Compact Pdf

  • Bmw E36 Engine Diagram

  • 1991 Bmw 318i Vacuum Diagram

  • Bimmerportal Nl - Online Bmw Forum U2022 Toon Onderwerp

  • Hm 9502 M42 Vacuum Diagram Free Diagram

  • Bmw 318i E36 Wiring Diagram

  • Schaltplan E36

Copyright © 2020 - CETNIEWO2017.VILOGDANSK.EU


1937 Comments