Diagram Database

Posted by on 2020-12-30

Bmw 116i Wiring Diagram English

CETNIEWO2017.VILOGDANSK.EU

Bmw 116i Wiring Diagram English

  • Diagram English
  • Date : December 30, 2020
  • Downloaded : 6139 times

Bmw 116i Wiring Diagram English Whats New

116i Wiring

Downloads Bmw 116i Wiring Diagram English 116 waring drive downingtown pa 116 writing rock apex nc 116 writing rock pl apex nc 27539

  • Bmw 116i Fuse Box Diagram

  • Bmw 116i Fuse Box Diagram

  • Bmw 116i Fuse Box Diagram

  • Frigidaire Fhpc3660ls

  • Wiring Diagram English

  • Frigidaire Fgmv185kba Wiring Diagram In English

  • Nissan Primera P11 Manual

  • English Wiring Diagram 1 Wiring Diagram 2

  • Original Parts For E87 116i N45 5 Doors Vehicle

  • Nissan Terrano R20e Manual

  • Clifford Blackjax Wiring Diagram

  • 1966 Bmw 2000c Restoration Technical Data

  • Diagram My Sentences For Me

  • Wiring Diagram

  • Frigidaire Frs26kw3ab4 Frs26kw3aq4 Frs26kw3aw4 Wiring

  • Diagram Casatronic Ignition Lambretta Wiring Diagrams

  • Diagram Casatronic Ignition Lambretta Wiring Diagrams

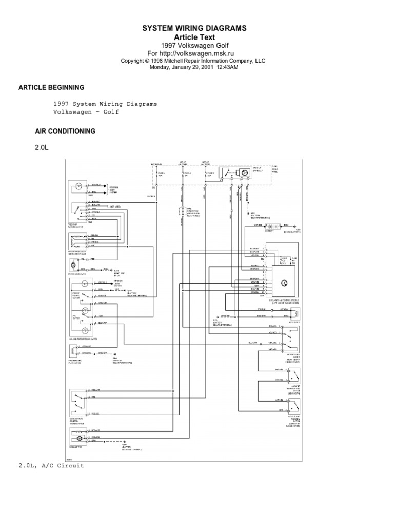
  • Volkswagen Golf 1997 English Wiring Diagrams

  • Diagram Casatronic Ignition Lambretta Wiring Diagrams

  • Diagram Casatronic Ignition Lambretta Wiring Diagrams

  • Nissan Terrano Model R20 Series 2004 Manual

  • Pontiac U2013 Page 7 U2013 Circuit Wiring Diagrams

  • Lexus Gisc Workshop Manual Electrical Wiring Diagram 2018

  • New Holand Tm190 Models English Wiring Diagrams

  • Frigidaire Ffbd2406nw

  • Stepper Motors 57bygh

  • 32 Which Sentence Best Completes The Diagram

  • Diagram Casatronic Ignition Lambretta Wiring Diagrams

  • Spitfire Over Drive Wiring Diagrams Pdf 43 2 Kb

  • Ford Orion Electrical Wiring Diagrams In English

  • Nissan Sr20det English Wiring Diagram

  • English Worksheet Hindi Varnamala

  • New English File Beginner Workbook Key

  • Wiring Diagram For Chery

  • Wiring Diagram Chery Tiggo

  • Jaguar Mark 2 Wiring Diagram

  • Lambretta Light Switch Wiring Diagram New Casatronic

  • New Holand Tm190 Models English Wiring Diagrams

  • 1959 Ford English Four Series Prefect Models Aea Wiring

  • Ford Orion Electrical Wiring Diagrams In English

  • Diagram Casatronic Ignition Lambretta Wiring Diagrams

  • Ford Orion Electrical Wiring Diagrams In English

  • Nissan Silvia Manual

  • Volvo Fh12 Alternator Wiring Diagram

  • Hardinge Hlv

  • Diagram Casatronic Ignition Lambretta Wiring Diagrams

  • English Fuse Box

  • Mb W 201 Wiring Diagram

  • Diagram Casatronic Ignition Lambretta Wiring Diagrams

  • 2005 Toyota Camry Ewd586u Electrical Wiring Diagram Manual

  • Schaltung In English

  • Nissan Primera P11 Manual

  • Vespa Gts 250 Abs Wiring Diagram Pdf 3 78 Mb

  • New Holand Tm190 Models English Wiring Diagrams

  • Schaltung In English

  • File Architectural Wiring Diagram Minihome Svg

  • Nissan Terrano R20e Manual

  • Electrolux Ei24id30qs

  • 220v 30a Wiring Diagram Help - Page 2

  • Wiring Diagram In English

Copyright © 2020 - CETNIEWO2017.VILOGDANSK.EU


1937 Comments