Diagram Database

Posted by on 2020-12-29

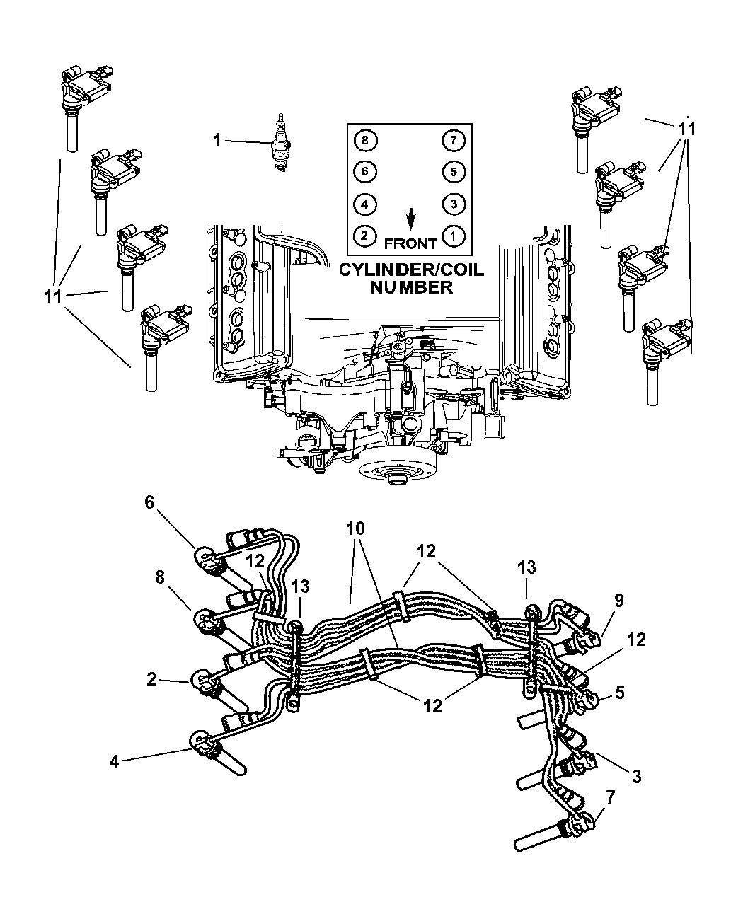
97 Jeep Grand Cherokee 5 2 Wiring Diagram

CETNIEWO2017.VILOGDANSK.EU

97 Jeep Grand Cherokee 5 2 Wiring Diagram

  • Wiring Diagram
  • Date : December 29, 2020
  • Downloaded : 6002 times

97 Jeep Grand Cherokee 5 2 Wiring Diagram Whats New

Jeep Grand Cherokee 5 2

Downloads 97 Jeep Grand Cherokee 5 2 Wiring Diagram 2011 jeep grand cherokee cylinder 5 misfire 2015 jeep grand cherokee cylinder 5 misfire 2006 jeep grand cherokee cylinder 5 misfire jeep grand cherokee 5 speed jeep grand cherokee 5 speed for sale jeep grand cherokee 5 year cost to own jeep grand cherokee 50000 mile service

  • 1995 Jeep Grand Cherokee 5 2 Pcm Wiring Diagram

  • 1995 Jeep Grand Cherokee 5 2 Pcm Wiring Diagram

  • 96 Jeep Cherokee 5 2 Engine Diagram

  • 1995 Jeep Grand Cherokee 5 2 Pcm Wiring Diagram

  • 1987 Jeep Comanche Wiring Diagram

  • 97 Jeep Grand Cherokee 5 2l V8 Zj Engine Wiring Diagram

  • 96 Jeep Cherokee 5 2 Engine Diagram

  • 97 Jeep Grand Cherokee 5 2l V8 Zj Engine Wiring Diagram

  • 97 Jeep Grand Cherokee 5 2l V8 Zj Engine Wiring Diagram

  • 1995 Jeep Grand Cherokee L

  • Guide And Manual

  • Jeep U0026 39 S Wiring Diagrams 1996 Jeep Grand Cherokee Laredo

  • Collection Of 1997 Jeep Grand Cherokee Wiring Diagram Download

  • Jeep Grand Cherokee Wiring Diagram

  • Ignition System Wiring Diagram 1993

  • 16c52 2002 Jeep Grand Cherokee Wiring

  • 2005 Jeep Grand Cherokee System Wiring Diagrams Series

  • 97 Jeep Grand Cherokee 5 2l V8 Zj Engine Wiring Diagram

  • L

  • 35 2002 Jeep Grand Cherokee Wiring Diagram

  • 2005 Jeep Grand Cherokee Engine Performance Circuit Wiring

  • I Have A 1997 Jeep Grand Cherokee Laredo That The Blower

  • 1990 Jeep Cherokee Wiring Diagram

  • 95 Jeep Cherokee Battery Wiring Diagram

  • 21 Best 97 Jeep Grand Cherokee Radio Wiring Diagram

  • I Have A 1994 Jeep Grand Cherokee Limited The Won U0026 39 T Turn

  • 1994 Jeep Cherokee Se 4 0l Engine Performance Circuits

  • Jeep Grand Cherokee 1998 Brake Light Wiring Diagram

  • 1995 Jeep Grand Cherokee 5 2 Pcm Wiring Diagram

  • I Have A 1995 Jeep Grand Cherokee The 15a Fuze That Controls

  • Jeep Grand Cherokee Wj Electrical Wiring Diagram

  • 94 Jeep Grand Cherokee Check Engine Start And Run For A

  • Wiring Diagram O2 Sensors 2002 Jeep Grand Cherokee 4 7

  • Wiring Diagram O2 Sensors 2002 Jeep Grand Cherokee 4 7

  • Jeep Cherokee Zj 5 2l 1994 Fuse Box Block Circuit Breaker

  • Jeep Cherokee Sport Adding Speakers To Front Doors Of 99

  • 89 Jeep Cherokee Radio Diagram Full Hd Version Radio

  • 1995 Jeep Grand Cherokee Laredo Radio Wiring Diagram

  • 1995 Jeep Grand Cherokee U0026 39 S Instrument Cluster Circuit

  • 1995 Jeep Grand Cherokee 5 2 Pcm Wiring Diagram

  • Security Wiring Diagram For 1993 Jeep Grand Cherokee

  • 94 Jeep Cherokee Pcm Wiring

  • 1997 Jeep Grand Cherokee Wiring Diagram Download

  • 2005 Jeep Grand Cherokee O2 Sensor Wiring Diagram

  • 1996 Jeep Grand Cherokee Fuel Pump Wiring Diagram

  • 2002 Jeep Grand Cherokee Engine Diagram

  • 1994 Jeep Cherokee Zj 5 2l Fuse Box Diagram U2013 Circuit

  • 1995 Jeep Grand Cherokee 5 2 Pcm Wiring Diagram

  • 30 2002 Jeep Grand Cherokee Radio Wiring Diagram

  • 2001 Jeep Grand Cherokee Distributor Wiring Diagram

  • 2005 Jeep Grand Cherokee Engine Performance Circuit Wiring

  • 31 Jeep Cherokee Wiring Diagram

  • Wiring Diagram For 1995 Jeep Grand Cherokee Laredo

  • 30 2002 Jeep Grand Cherokee Radio Wiring Diagram

Copyright © 2020 - CETNIEWO2017.VILOGDANSK.EU


1937 Comments