Diagram Database

Posted by on 2020-12-30

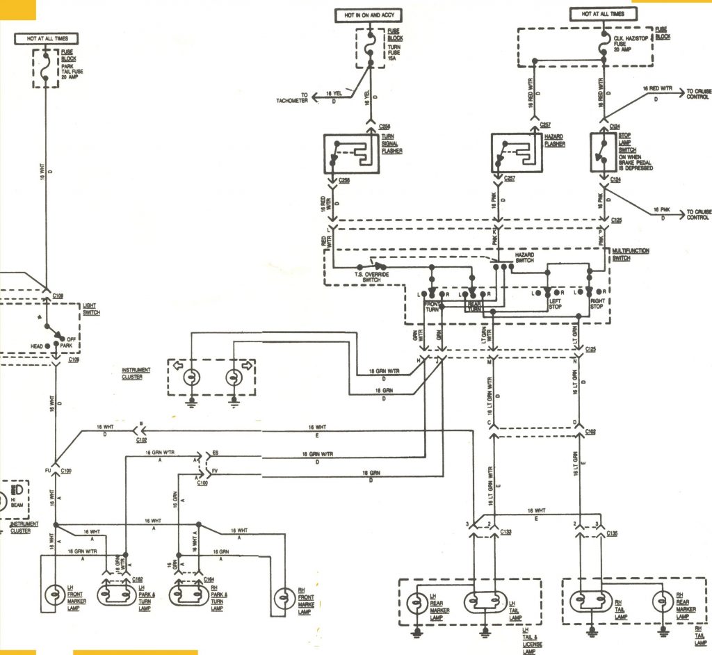
95 S10 Turn Signal Wiring Diagram

CETNIEWO2017.VILOGDANSK.EU

95 S10 Turn Signal Wiring Diagram

  • Wiring Diagram
  • Date : December 30, 2020
  • Downloaded : 6398 times

95 S10 Turn Signal Wiring Diagram Whats New

S10 Turn Signal

Downloads 95 S10 Turn Signal Wiring Diagram s10 turn signal s10 turn signal lights s10 turn signal problems s10 turn signal flasher location s10 turn signal not working

  • 91 S10 Turn Signal Wiring Diagram

  • 96 Chevy S10 Light Wiring Diagram

  • 95 S10 Turn Signal Wiring Diagram

  • 1995 Chevy Silverado Wiring Diagram

  • S10 Turn Signal Wiring Diagram

  • Chevrolet S-10 Questions - Turn Signal

  • 1997 S10 Turn Signal Wiring Diagram

  • 35 2000 S10 Tail Light Wiring Diagram

  • Diagram S10 Right Turn Signal Problem Wiring Diagram

  • 1995 S10 Blazer

  • 2002 S10 Brake Lights Stay On Disconnect Brake Light

  • Diagram 1988 Chevy S10 Steering Column Wiring Diagram

  • Can Anyone Find The Actual Choke Circuitry For My 1982 S10

  • Wiring Diagram Blazer S10 1994 Aux Like Rear Defog Etc

  • S10 Right Turn Signal Problem

  • Wiring Diagram Turn Signals And Brake Lights With Images

  • Brake Light Wiring Diagram U2014 Untpikapps

  • S10 Wiring Diagram Tail Lights

  • 1995 S10 Blazer

  • 2000 S10 Zr2 Tail Light Wiring Diagram

  • S10 Turn Signal Wiring Diagram

  • 1994 Chevy S10 Pickup 4x4 4 3 Extended Cab Need To Know

  • Wiring Diagram For 1996 Blazer

  • I Have A 96 Chevy S10 Blazer I Was Curious About If The

  • Chevrolet S-10 Questions

  • Turn Signal Wiring Diagram Motorcycle

  • 1999 S10 2 2l Fuse Box Quesion There Are Two What Appear

  • I Have Replaced The Turn Signal Cam The Hazards Function

  • 1994 Chevy S

  • Repair Guides

  • I Installed A New Car Stereo And Now Turn Signals Aren U0026 39 T

  • Repair Guides

  • 1988 Gmc S15 Pickup 4x4 One Brake Light Not Working Got

  • New Turn Signal Switch Relay U0026 Cruise Control Gm Chevy S10

  • 2002 Chevrolet S10 Main Fuse Box Diagram U2013 Circuit Wiring

  • 1991 Chevrolet Truck S10 P U 2wd 2 8l Tbi Ohv 6cyl

  • Chevy S10 Turn Signal Problem

  • Grote Tail Light Wiring Diagram

  • Chevrolet S-10 Questions - Tail Lights

  • 2000 S10 Zr2 Tail Light Wiring Diagram

  • Gmc Truck Wiring Diagrams On Gm Wiring Harness Diagram 88

  • I Have An 96 Chevy S10 Pickup Motor 4 3l And I Have No

  • 1994 Chevy S

  • Diagram 1988 Chevy S10 Steering Column Wiring Diagram

  • 2000 S 10 Pickup No Brake Lights Have Tail And Turnsignal

  • Rear Wiring Harnness-turn Signal Help

  • 95 K1500 Wiring Diagram

  • 91 S10 Turn Signal Wiring Diagram

  • I Have An U0026 39 88 Chevy S10 My Wiper Switch Is No Longer

  • Diagram 1988 Chevy S10 Steering Column Wiring Diagram

  • Repair Guides

Copyright © 2020 - CETNIEWO2017.VILOGDANSK.EU


1937 Comments