Diagram Database

Posted by on 2020-12-30

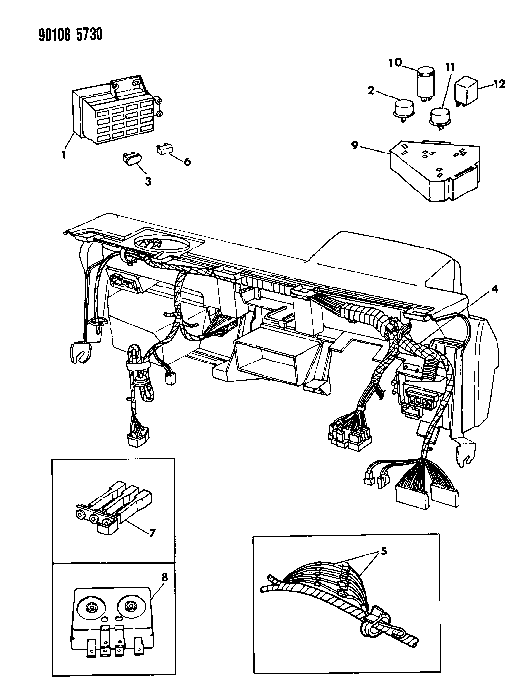
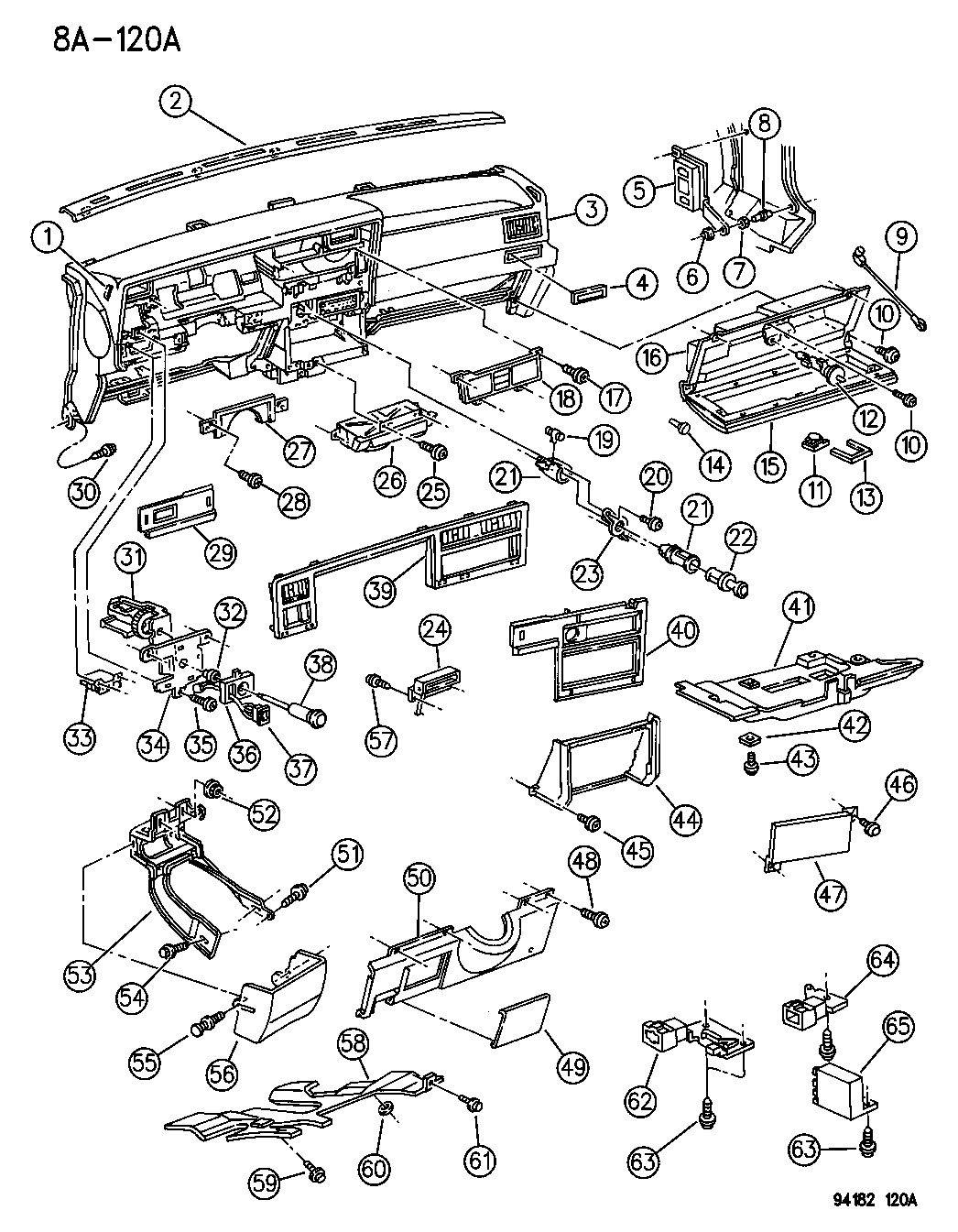
95 Dodge Spirit Fuse Diagram

CETNIEWO2017.VILOGDANSK.EU

95 Dodge Spirit Fuse Diagram

  • Fuse Diagram
  • Date : December 30, 2020
  • Downloaded : 6243 times

95 Dodge Spirit Fuse Diagram Whats New

Dodge Spirit

Downloads 95 Dodge Spirit Fuse Diagram dodge spirit r/t dodge spirit dodge spirit turbo dodge spirit r/t for sale dodge spirit es dodge spirit mpg dodge spirit 1989 dodge spirit 1990 dodge spirit 1991 dodge spirit 1992 dodge spirit 1993 dodge spirit 1994 dodge spirit 2020 dodge spirit pics dodge spirit green dodge spirit wiki dodge spirit lubbock dodge spirit stalled dodge spirit of 76 dodge spirit rt sale dodge spirit rt specs dodge spirit 3d model dodge spirit for sale dodge spirit rt turbo

  • 1992 Dodge Spirit Fuse Box Diagram

  • 1993 Dodge Spirit Fuse Box

  • 1993 Dodge Spirit Fuse Box

  • Dodge Spirit Fuse Box

  • Dodge Spirit Fuse Box

  • Dodge Spirit Fuse Box

  • Dodge Spirit Fuse Box

  • I Have A 1994 Dodge Spirit With A 2 5 Lt And Automatic

  • 1993 Dodge Spirit Wiring Diagram

  • Dodge Spirit 1990 Fuel Pump Electrical Circuit Wiring

  • 1992 Dodge Spirit Fuse Box Diagram

  • 1993 Dodge Spirit Fuse Box

  • 1993 Dodge Spirit Wiring Diagram

  • 1993 Dodge Spirit Wiring Diagram

  • 1992 Dodge Spirit Fuse Box Diagram

  • 1993 Dodge Spirit Wiring Diagram

  • 1993 Dodge Spirit Wiring Diagram

  • 30 1992 Dodge Dakota Fuse Box Diagram

  • 1993 Dodge Spirit Wiring Diagram

  • Dodge Shadow Fuel System Diagram

  • 30 1992 Dodge Dakota Fuse Box Diagram

  • 94 Dodge Shadow Wiring Diagram

  • Dodge Fuse Box Diagram Problem

  • Fuse Box For 2010 Dodge Charger

  • 1993 Dodge Dakota Fuse Diagram

  • Diagram 2005 Dodge Stealth Fuse Box Diagram Full Version

  • Chrysler Wiring 95 Chrysler Lebaron Wiring Diagram

  • Fig Fig 2 Sample Diagram How To Read U0026 Interpret

  • Wiring Diagram 94 Dodge Spirit Dodge

  • Chrysler Wiring 95 Chrysler Lebaron Wiring Diagram

  • Chrysler Wiring 95 Chrysler Lebaron Wiring Diagram

  • Toyota Corolla Ignition Switch Wiring Diagram U2013 Wiring Diagram

  • 1989 Dodge Daytona Wiring Diagram

  • 1995 Dodge Dakotum Wiring Diagram

  • 94 Dodge Shadow Wiring Diagram

  • 94 Dodge Shadow Wiring Diagram

  • Fuse Diagrams

  • 94 Dakotum Fuse Diagram

  • I Have A 1994 Dodge Spirit With A 2 5 Lt And Automatic

  • 94 Dodge Shadow Wiring Diagram

  • 1993 Dodge Stealth Fuse Box Location

  • Where Can I Find A Fuse Box Diagram For A 1991 Plymouth

  • 94 Dodge Shadow Wiring Diagram

  • 1989 Didge Spirit Keeps Blowing Backup U0026 Tail Light Fuses

  • Dodge Neon 1995 Engine Room Fuse Box Block Circuit Breaker

  • 1993 Dodge Dakota Fuse Diagram

  • 1989 Didge Spirit Keeps Blowing Backup U0026 Tail Light Fuses

  • 94 Dodge Shadow Wiring Diagram

  • 30 2016 Dodge Dart Fuse Box Diagram

  • Diagram 2005 Dodge Stealth Fuse Box Diagram Full Version

  • 1990 Dodge Wiring Diagram

  • Diagram 2005 Dodge Stealth Fuse Box Diagram Full Version

  • Diagram 2005 Dodge Stealth Fuse Box Diagram Full Version

  • Diagram 2005 Dodge Stealth Fuse Box Diagram Full Version

  • Diagram 2005 Dodge Stealth Fuse Box Diagram Full Version

  • Zdag 1209 94 Plymouth Acclaim Wiring Diagram Download

  • 1990 Dodge Shadow

  • 1989 Didge Spirit Keeps Blowing Backup U0026 Tail Light Fuses

  • 94 Dodge Shadow Wiring Diagram

Copyright © 2020 - CETNIEWO2017.VILOGDANSK.EU


1937 Comments