Diagram Database

Posted by on 2020-12-29

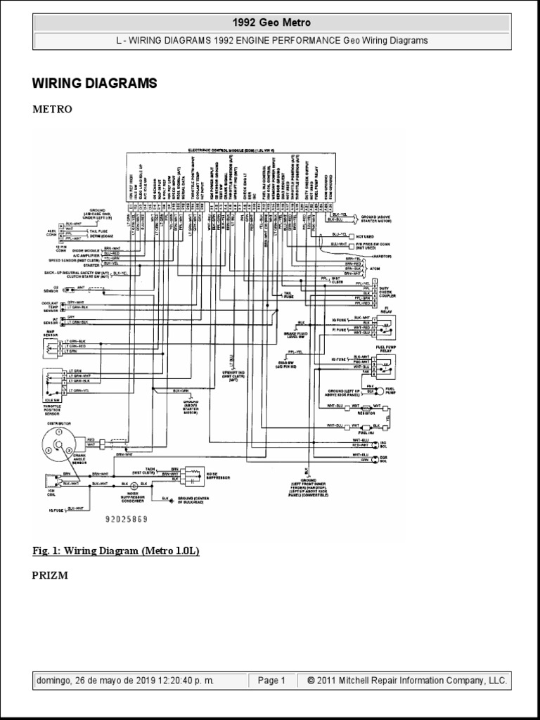
91 Geo Metro Wiring Diagram

CETNIEWO2017.VILOGDANSK.EU

91 Geo Metro Wiring Diagram

  • Wiring Diagram
  • Date : December 29, 2020
  • Downloaded : 7486 times

91 Geo Metro Wiring Diagram Whats New

Geo Metro

Downloads 91 Geo Metro Wiring Diagram geo metro geo metro car geo metro for sale geo metro convertible geo metro engine geo metro xfi geo metro brand geo metro 1991 geo metro hatchback geo metro body kit geo metro engine build geo metro automatic transmission geo metro lift kit geo metro tire size geo metro gas mileage geo metro car for sale geo metro for sale craigslist geo metro parts for sale geo metro interior geo metro hp geo metro gm geo metro lx geo metro 1994

  • Geo Metro Wiring Diagram

  • What Is The Wiring Color Code For A Radio In A 1996 Geo Metro

  • What Is The Wiring Color Code For A Radio In A 1996 Geo Metro

  • Geo Metro Wiring Diagram

  • 1991 Geo Metro Wiring Diagram

  • Geo Metro Wiring Diagram

  • Wiring Diagram For Ecm 1997 Geo Metro

  • 1991 Geo Metro Wiring Diagram

  • 1991 Geo Metro Wiring Diagram

  • Wiring Diagram For Ecm 1997 Geo Metro

  • 97 Geo Metro Wiring Diagram

  • What Web Site Can I Go To For Free Access To In Depth

  • 1992 Geo Metro X Fi 10 Engine Diagram

  • 1997 Geo Metro Radio Wiring Diagram

  • 1991 Geo Metro Wiring Diagram

  • 89 Geo Metro Headlight Wiring Diagram

  • 1991 Geo Metro Wiring Diagram

  • 1992 Geo Metro Ignition Wiring Diagram

  • What Is Most Common With 1997 Chevy Geo Metro Power Supply

  • 1992 Geo Metro Wiring Diagram

  • 1994 Geo Metro Wiring Diagram

  • Wiring Diagram For Ecm 1997 Geo Metro

  • Geo Metro And Suzuki Swift Wiring Diagrams U2013 Metroxfi Com

  • 1993 Geo Metro 1 0l Tbi Sohc 3cyl

  • Geo Metro And Suzuki Swift Wiring Diagrams U2013 Metroxfi Com

  • 1996 Geo Metro Engine Wiring Diagram

  • 1992 Geo Metro X Fi 10 Engine Diagram

  • 92 Xfi Project Update

  • 1993 Metro Lsi

  • 1997 Geo Metro 1 3l Engine Wiring Diagram

  • I Am Working On A 2000 Chevy Metro 4 Cyl I Keep Getting A

  • 1992 Geo Metro X Fi 10 Engine Diagram

  • Wiring Diagram For Ecm 1997 Geo Metro

  • Helpful Stereo Links

  • 1995 Geo Tracker 16v Fuel Pump Wiring Diagram

  • 1991 Geo Metro Wiring Diagram

  • 1992 Geo Metro X Fi 10 Engine Diagram

  • 1992 Geo Metro Wiring Diagram

  • 1997 Geo Metro Wiring Diagram

  • 97 Geo Metro Stereo Wiring Diagram

  • 1997 Geo Metro 1 3l Engine Wiring Diagram

  • 89 Geo Metro Headlight Wiring Diagram

  • 1991 Geo Metro Wiring Diagram

  • Need Exact Location Of Idle Control Relay 1994 Geo Metro Xfi

  • 97 Geo Metro Wiring Diagram

  • 1994 Geo Metro 1 0l Engine Diagram

Copyright © 2020 - CETNIEWO2017.VILOGDANSK.EU


1937 Comments