Diagram Database

Posted by on 2020-12-30

90 Hp Mercury Alarm Module Wiring Diagram

CETNIEWO2017.VILOGDANSK.EU

90 Hp Mercury Alarm Module Wiring Diagram

  • Wiring Diagram
  • Date : December 30, 2020
  • Downloaded : 7370 times

90 Hp Mercury Alarm Module Wiring Diagram Whats New

Hp Mercury Alarm Module

Downloads 90 Hp Mercury Alarm Module Wiring Diagram

  • I Am Getting A False Positive Beeping That My 40 Hp

  • Merc Overheating Alarm Continues - Need Help Bad

  • My Mercury Marine Saltwater Outboard Makes A Siren

  • 90 Hp Mercury 4 Stroke Efi Electrical Diagram

  • Mercury Outboard Control Module

  • I Have An Oil Alarm Going Off When The Motor Is Running I

  • 1973 Mercury 20 Hp Thunderbolt Ignition Wiring Diagram

  • Mercury 2 Str Service Repair Manual 135 150 175 200 225

  • I Have A 175 Hp Mercury Black Max All The Wiring Got

  • Mercury Marine V

  • Mercury 40 Elpto Wiring Diagram

  • 60 Hp Mariner Has Constant Alarm

  • I Have A 2012 Mercury 115 Hp 4 Stroke Can You Tell Where

  • Mercury 2 Str Service Repair Manual 135 150 175 200 225

  • Mercury Marine V

  • 2002 Mercury Cougar Pats System Wiring Diagram

  • 1960 Johnson 75 Hp Wiring Diagram

  • Mercury Racing 525 Ecm Wiring Diagram

  • 175 - Voltage On Stop Circuit Page 1

  • Mercury Racing 525 Ecm Wiring Diagram

  • Wiring Diagram 175hp Johnson 2006 -mercury -ford

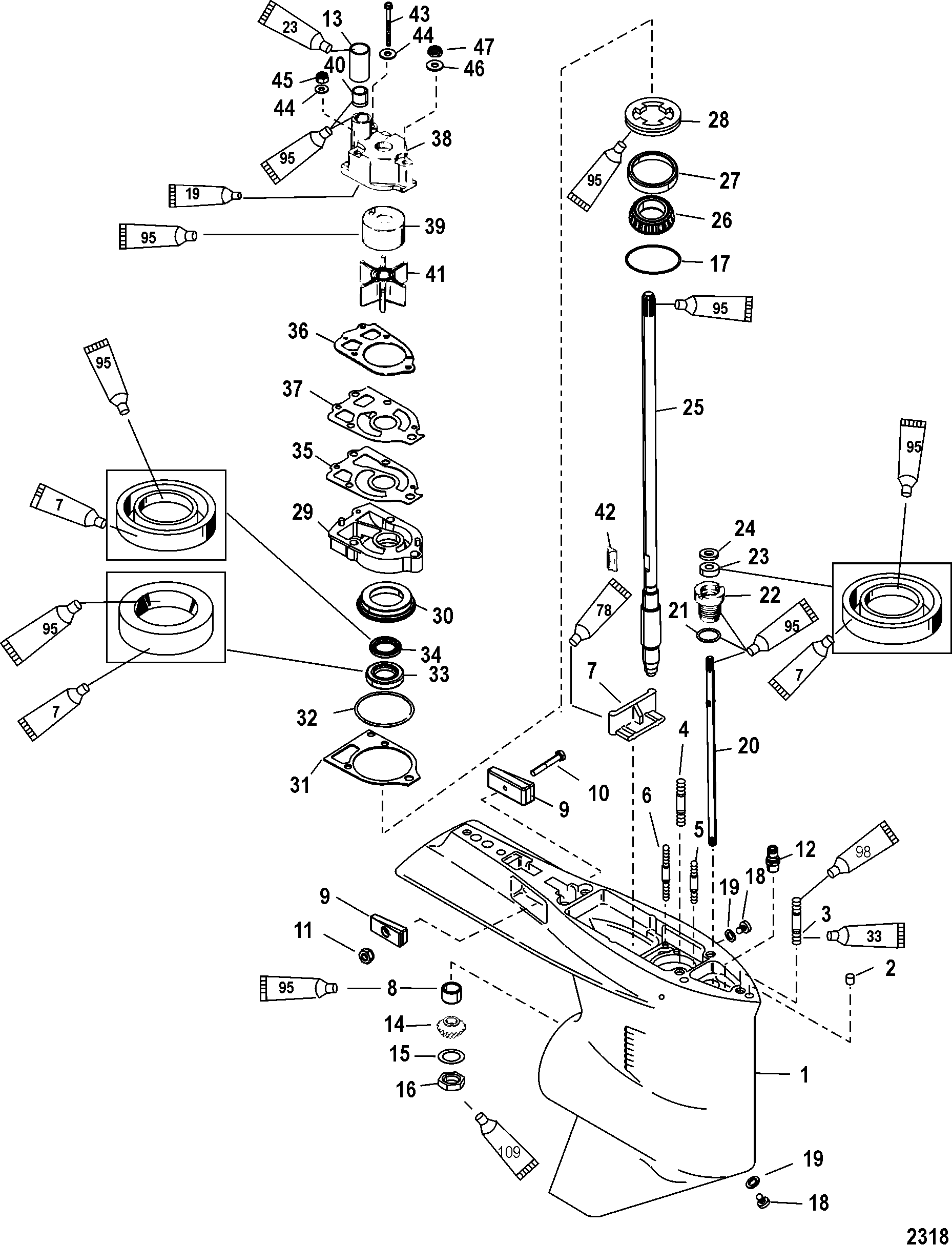
  • Mercury Marine 225 Hp 3 0l Efi Shift Linkage Parts

  • Parts For A 1997 Mercury Outboard Motor

  • Mercury Smartcraft Sc1000 Wiring Diagram

  • Mercury Marine 115 Hp Efi 4

  • 1985 Stratos 180 Vt Rocket With 175 Hp Mercury Black Max I

  • Yamaha 115 4 Stroke Wiring Diagram

  • Mercury Marine 115 Hp Efi 4

  • Wiring Diagram 175hp Johnson 2006 -mercury -ford

  • Mercury Mercury U0026 Mariner Outboard Parts By Hp U0026 Liter

  • I Have An Oil Alarm Going Off When The Motor Is Running I

  • Wiring Harness U0026 Electrical Components For Mercruiser 5

  • Mercury Outboard Motor Parts Diagram

  • Mercury Mercury U0026 Mariner Outboard Parts By Hp U0026 Liter

  • Mercury Marine Model 40 4 Hp 1 Cylinder Stator

  • 1986 125 Force Outboard Motor Service Manual

  • Mercruiser 5 7l Gm 350 V

  • Mercury Marine 115 Hp 6 Cylinder Wiring Harness Switch

  • 1995 Mercury 70 Hp Force Wiring Diagram

  • Cdi 114

  • 1978 Mercury 115 Hp Wiring Diagram

  • Mercury Mariner Radio Wiring Diagram

  • Mariner 50 Hp Engine No 0b132706 Which I Believe Is A 1987

  • Mercury Mercury U0026 Mariner Outboard Parts By Hp U0026 Liter 150

  • Mercury Marine 115 Hp 6 Cylinder Wiring Harness

  • Mercury Outboard Throttle Control Diagram U2014 Untpikapps

  • I Have A 1999 Mercury 125 Hp Motor It Is The One That

  • Mercury Marine 75 Hp Efi 4

  • Mercury Racing 525 Ecm Wiring Diagram

  • 2005 Mercury Marine 40 50 60 4 Stroke Wiring Diagram

  • Jl Marine

  • Mercury Outboard Wiring Diagrams

  • Printable Wiring Diagram For Mercury 9 9 Engine Ot635760

  • Mercury Throttle Control Box Diagram U2014 Untpikapps

Copyright © 2020 - CETNIEWO2017.VILOGDANSK.EU


1937 Comments