Diagram Database

Posted by on 2020-12-30

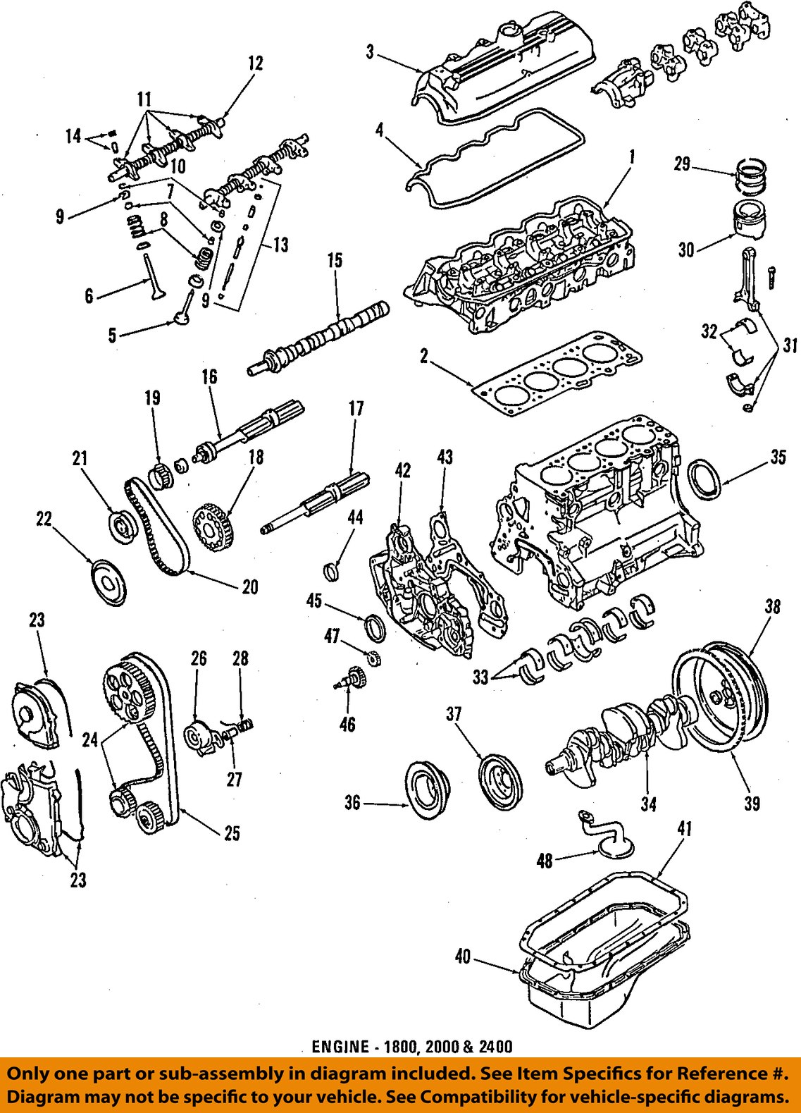
89 Mighty Max Engine Diagram

CETNIEWO2017.VILOGDANSK.EU

89 Mighty Max Engine Diagram

  • Engine Diagram
  • Date : December 30, 2020
  • Downloaded : 6371 times

89 Mighty Max Engine Diagram Whats New

Mighty Max

Downloads 89 Mighty Max Engine Diagram mighty max mighty max battery mighty max tv show mighty max toy mighty max battery.com mighty max toys 1990s mighty max tv show episodes mighty max pickup mighty max cartoon mighty max 4x4 mighty max dvd mighty max figures mighty max episodes mighty max battery review mighty max cooler cart mighty max skull dungeon mighty max tv show cast mighty max battery 12v 7ah mighty max battery model ml7-12 mighty max 100 ah battery mighty max clown without pity mighty max truck mighty max playset mighty max battery 12v

  • I Need A Complete Vacuum Line Diagram For A 1987 Mighty

  • Where Can I Find A Vacuum Schematic For A 1989 Mighty Max

  • Mitsubishi Mighty Max Engine Timing Cover 3 0 Liter

  • My 1991 Mitsubishi Mighty Max Still Has No Power To The

  • 1994 Mitsubishi Mighty Max 2 4 Timing Marks

  • 1990 Mighty Max Out

  • Mitsubishi Mighty Max Egr Valve Emission Make Liter

  • Repair Guides

  • Can I Get Instructions On Replacing The Balance Shaft Belt

  • Can I Get Instructions On Replacing The Balance Shaft Belt

  • 89 Mighty Max Fuse Diagram

  • Could I Get The Proper Wiring Diagram For A 1986 Misubit

  • Repair Guides

  • 89 Mighty Max Fuse Diagram

  • Wiring Diagram For 1991 Mitsubishi Mighty Max Truck I

  • Dodge Ram 50 Pickup Questions

  • Mitsubishi Mighty Max Engine Camshaft Follower Exhaust

  • My Truck Wont Start I Have Sparl At The Plugs But Still

  • Mitsubishi Mighty Max Ac Wiring Diagram

  • 1992 Mitsubishi Mighty Max My Sister U0026 39 S 1992 Mitsubishi

  • Mitsubishi Mighty Max Pickup Questions

  • Mitsubishi Mighty Max Engine Cooling Fan Pulley 3 0 Liter

  • Dodge Ram 50 Pickup Questions

  • 1994-mitsubishi-mighty-max-wiring-diagrams Images - Frompo

  • How To Set Balance Shaft Timing On A 1990 Mitsubishi

  • Mitsubishi Oem 84

  • 1992 Mitsubishi Mighty Max Radiator Radiator Assembly

  • 1994 Mitsubishi 3000gt Wiring Diagram

  • 1994-mitsubishi-mighty-max-wiring-diagrams Images - Frompo

  • I Have A 1988 Dodge Ram 50 With A 2 6 Mitsubishi Engine

  • 1994 Mitsubishi Mighty Max Timing Marks

  • Mitsubishi Mighty Max Pickup Questions

  • Mighty Max Wiring Diagram

  • 1992 Mitsubishi Mighty Max Woes

  • 1995 Mitsubishi Mighty Max Pickup - Pictures

  • Mighty Max Wiring Diagram

  • Mighty Max Wiring Diagram

  • Name This Part

  • Could I Get The Proper Wiring Diagram For A 1986 Misubit

  • Mitsubishi Mighty Max Air Cleaner Body Body Assembly Air

  • Help Need Wiring Diagram 87 2 0

  • What Are The Timing Spec On A 1999 Dodge Ram

  • 91 Mitsubishi Pickup Wiring Diagram

  • Repair Guides

  • Mitsubishi Mighty Max Cushion Crossmember Engine Front

  • Repair Guides

  • Mitsubishi Oem 84

  • Mitsubishi Mighty Max Engine Gasket Set Models Bearings

  • Mitsubishi Mighty Max Air Inlet Duct Duct Air Cleaner

  • 89 Mighty Max Fuse Diagram

  • Mitsubishi Oem 84

  • 1994 Mitsubishi Mighty Max Engine Dies When Slowing Down

Copyright © 2020 - CETNIEWO2017.VILOGDANSK.EU


1937 Comments