Diagram Database

Posted by on 2020-12-30

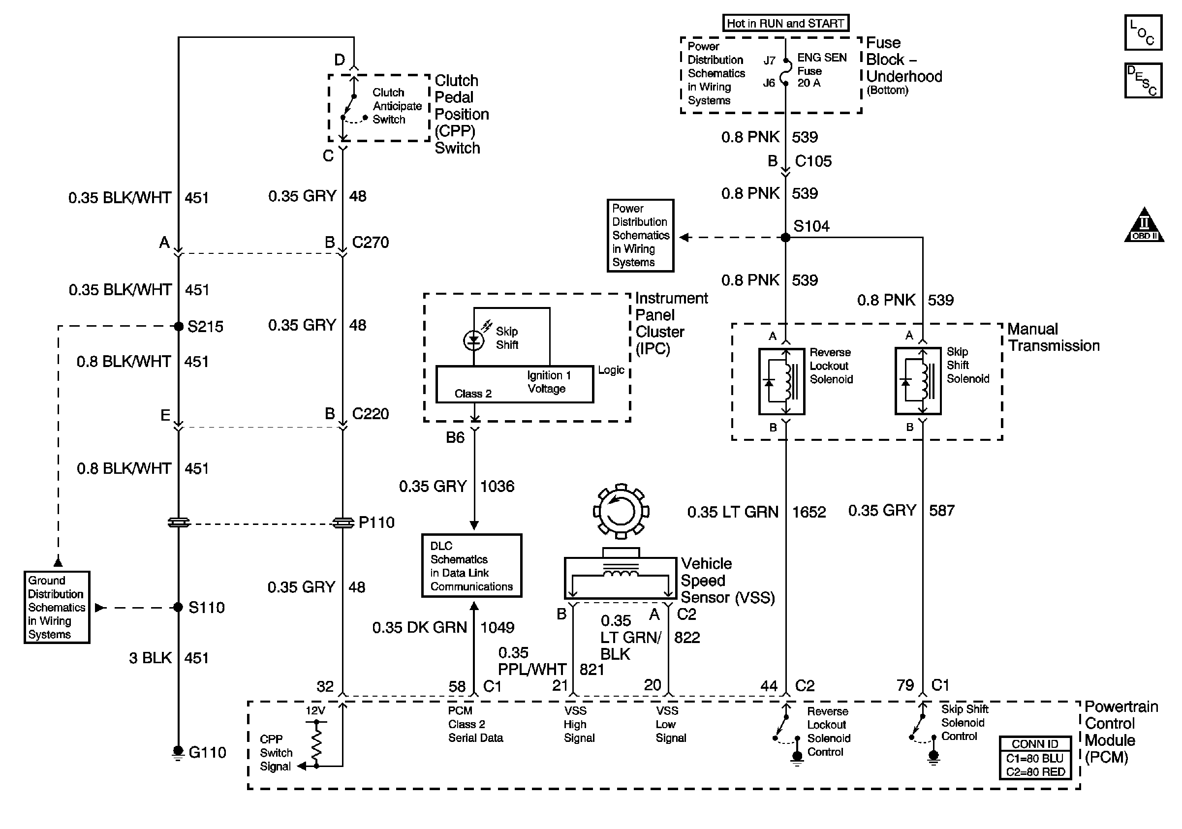
89 Camaro Vss Wiring Diagram

CETNIEWO2017.VILOGDANSK.EU

89 Camaro Vss Wiring Diagram

  • Wiring Diagram
  • Date : December 30, 2020
  • Downloaded : 7007 times

89 Camaro Vss Wiring Diagram Whats New

Camaro Vss

Downloads 89 Camaro Vss Wiring Diagram camaro vs sti camaro vs suv camaro vs supra camaro vs srt 4 camaro vs shelby mustang camaro vs mustang camaro vs camry camaro vs corvette camaro vs m2 camaro vs m4 camaro vs r8 camaro vs ats camaro vs gto camaro vs wrx camaro vs 370z camaro vs bmw camaro vs jeep camaro vs nova camaro vs miata camaro vs gt500 camaro vs mustang gt camaro vs mustang hp camaro vs mustang v6 camaro vs mustang v8 camaro vs mustang mpg

  • 1992 Camaro 5 Speed Vss Wiring Diagram

  • 1992 Camaro 5 Speed Vss Wiring Diagram

  • 1992 Camaro 5 Speed Vss Wiring Diagram

  • 1992 Camaro 5 Speed Vss Wiring Diagram

  • 1992 Camaro 5 Speed Vss Wiring Diagram

  • 1992 Camaro 5 Speed Vss Wiring Diagram

  • 1992 Camaro 5 Speed Vss Wiring Diagram

  • 1992 Camaro 5 Speed Vss Wiring Diagram

  • 1992 Camaro 5 Speed Vss Wiring Diagram

  • 1992 Camaro 5 Speed Vss Wiring Diagram

  • 1992 Camaro 5 Speed Vss Wiring Diagram

  • Wiring Help - Vss Plug Details - Ls1tech

  • Wiring Help - Vss Plug Details - Ls1tech

  • Gen Iii Ls Pcm Conversion Upgrades Projects Lessons And

  • Solution Swap With 3 Wire Vss - Ls1tech

  • Speedometer Is Not Working On A 91 Camaro V6 3 1 Already

  • P1810 Code 4l60e Vss Problem - Ls1tech

  • T5 Manual Transmission - Vehicle Speed Sensor

  • My Speedometer Gauge Cluster Is Not Working I Have A 92

  • 1994 Chevrolet Camaro 3 4l Mfi Ohv 6cyl

  • 1968 Camaro Wiring Diagram Pdf

  • Diagram On Wiring Chevrolet Camaro 1997 Instrument

  • 1967 Chevrolet Camaro 4 Terminal Wiper Motor Wiring Diagram

  • Bypassing Vss Buffer Box

  • U0026 39 90 Firebird T A No Speedo After Replacing Ecm

  • 32 3 Wire Speed Sensor Diagram

  • 93 Camaro Z28 383 Stroker 6 Speed Back Firing When Hot

  • Chevrolet Camaro Questions

  • 1992 Camaro 5 Speed Vss Wiring Diagram

  • Camaro And Firebird 1990 To 2002 Why Can U0026 39 T I Shift Out Of

  • 700r4 Speedometer Wiring Diagram

  • Overcoming The Speed Limiter In Tbi Equipped F

  • Autometer Speedometer Problems

  • 1992 Camaro Speedometer

  • Speedometer Is Not Working On A 91 Camaro V6 3 1 Already

  • 1968 Chevrolet Camaro Wiring Diagram

  • 4l80e Connector Wiring Question - Ls1tech

  • What Is This Called - Ls1tech

  • 69 Camaro Wiper Motor Wiring Diagram U2013 Database

  • 92 Camaro Ignition Wiring Diagram

  • Vehicle Speed Sensor Vss T56 4l60e 4l80e Connector Pigtail

  • Longyue 10pcs Camaro Firebird Tpi Tbi 700r4 T5 Vehicle

  • 1967 Camaro Wiring Diagram Online

  • Pigtail 700r4 For Sale

  • Help Tr6060 Connectors - Ls1tech

  • Gm Performance View Topic

  • Chevrolet Camaro Harness Bracket Abs Sensor System

  • 2001 Ls1 Engine Controls Schematics

  • 1967 Chevrolet Camaro 4 Terminal Wiper Motor Wiring Diagram

Copyright © 2020 - CETNIEWO2017.VILOGDANSK.EU


1937 Comments