Diagram Database

Posted by on 2020-12-30

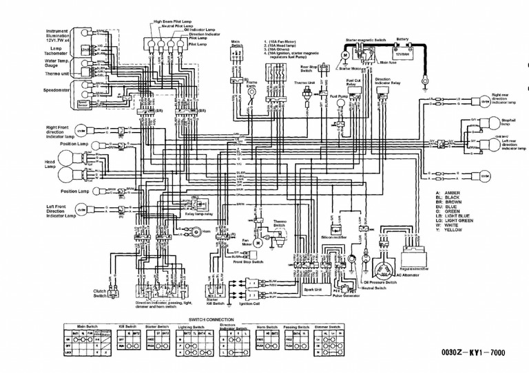
2012 Honda Cbr250ra Wiring Diagram

CETNIEWO2017.VILOGDANSK.EU

2012 Honda Cbr250ra Wiring Diagram

  • Wiring Diagram
  • Date : December 30, 2020
  • Downloaded : 6034 times

2012 Honda Cbr250ra Wiring Diagram Whats New

Honda Cbr250ra

Downloads 2012 Honda Cbr250ra Wiring Diagram honda cbr 250 rally honda cbr250r honda cbr250r abs honda cbr250r accessories honda cbr250r akrapovic exhaust honda cbr250r aftermarket exhaust honda cbr250rr honda cbr250r hp honda cbr250r ecu honda cbr250r mpg honda cbr250r usa honda cbr250rr 90 honda cbr250rr hp honda cbr250r 0-60 honda cbr250r 2011 honda cbr250r 2012 honda cbr250r 2013 honda cbr250r 2017 honda cbr250r 2018 honda cbr250r 2019 honda cbr250r 2020 honda cbr250r used honda cbr250rr buy honda cbr250rr usa honda cbr250r forum

  • Wiring Diagram Request --- 2012 Cbr 250ra

  • Honda Cbr250r Wiring Diagram

  • Honda Cbr 250r

  • Cbr250r Wiring Diagram

  • Honda Cbr250r Electrical Circuit Diagram 59196

  • Honda Cbr250r Wiring Diagram

  • Cbr250 Wiring Diagram

  • Build Msx250r Cbr Swap

  • Build Msx250r Cbr Swap

  • Honda Cbr250r Ignition System Schematic And Diagram

  • 2012 Honda Cbr250r Coil Ignition Harness Wire Mounting

  • Honda Wiring Diagrams To 1995

  • Vfr 800 Wiring Diagram

  • Honda Wiring Diagram

  • September 2012

  • Honda Gx630 Wiring Diagram

  • Honda Cd175 Wiring Diagram

  • Honda Side By Side 2018 Oem Parts Diagram For Wire Harness

  • Honda Cd175 Wiring Diagram

  • 1996 Honda Accord Stereo Wiring Harness Diagram And 96

  • Honda C50 Wiring Schematic - Honda 4-stroke Net

  • 76 Cb500t Wiring Diagram

  • 1971 Honda Z50 Wiring Diagram

  • 1980 Honda Atc 110 Wiring Diagram

  • Cbr 900 Wiring Diagram

  • Honda Ct110 Wiring Diagram

  • Honda St70 Motorcycle Wiring Diagram

  • Honda Cx500 Motorcycle 1978

  • Honda Cbr1000rr Motorcycle Wiring Diagram

  • Vfr 800 Wiring Diagram

  • Honda 400ex Wiring Diagram

  • Wiring Diagrams

  • Electrical Wiring Diagram Of Honda Cb750f 60489

  • Wiring Diagram 2002 Cbr600f Honda

  • Honda Crv 2001-06 Wiring Diagrams Repair Guide

  • Cb350 As Long As Its In Pieces

  • Honda Cd175 Wiring Diagram

  • Honda Cb500 Electrical Wiring Diagram U2013 Circuit Wiring

  • Wiring Diagram For Honda Xr Or Crf 50cc Crf50 Xr

  • 2013 Honda Trx500fpm Pgm

  • Honda Motorcycle 1980 Oem Parts Diagram For Wire Harness

  • Honda Atv 2000 Oem Parts Diagram For Wire Harness

  • Honda Cbr250rr Colour Electrical Wiring Diagrams

  • Honda Cb750f 1979

  • Honda Xl650v 2000

  • Honda Crv Wiring Diagrams 1998 To 2016

  • Honda Motorcycle 2004 Oem Parts Diagram For Wire Harness

  • Honda Motorcycle 1982 Oem Parts Diagram For Wire Harness

  • Honda Cb200 Motorcycle Wiring Diagram

  • Honda Motorcycle 1979 Oem Parts Diagram For Wire Harness

  • Wiring Diagrams And Free Manual Ebooks Classic Honda C110

  • 2007 Honda Cbr1000rr Wiring Diagram

  • Honda Cb900f Fz Fa 1979

  • Honda Motorcycle 2012 Oem Parts Diagram For Wire Harness

  • 32200-tr0-a30

  • Honda Crf250l Wiring Diagram En

Copyright © 2020 - CETNIEWO2017.VILOGDANSK.EU


1937 Comments