Diagram Database

Posted by on 2020-12-30

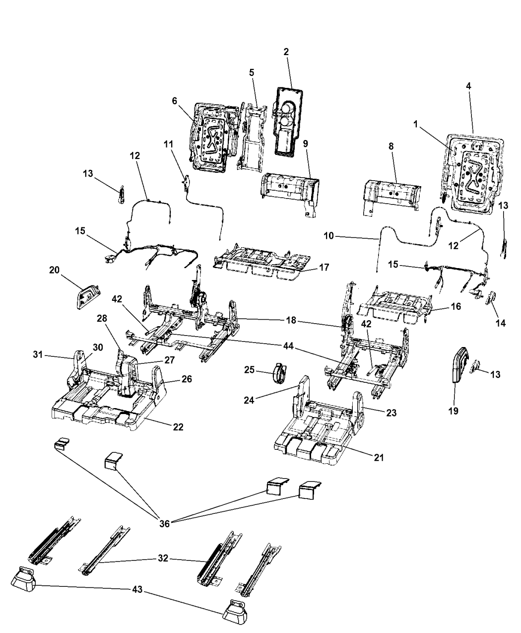
2009 Dodge Journey Seat Diagram

CETNIEWO2017.VILOGDANSK.EU

2009 Dodge Journey Seat Diagram

  • Seat Diagram
  • Date : December 30, 2020
  • Downloaded : 6173 times

2009 Dodge Journey Seat Diagram Whats New

Dodge Journey

Downloads 2009 Dodge Journey Seat Diagram dodge journey dodge journey 2020 dodge journey reviews dodge journey 2018 dodge journey dimensions dodge journey 2019 dodge journey 2009 dodge journey crossroad dodge journey dealership dodge journey accessories dodge journey awd dodge journey toy dodge journey problems dodge journey 2017 dodge journey cargo net dodge journey rims dodge journey parts dodge journey ratings dodge journey 2014 dodge journey se dodge journey recalls dodge journey issues dodge journey for sale dodge journey gt dodge journey all wheel drive

  • Dodge Journey Headrest Front Trim Cloth Low

  • Dodge Journey Seat Back Cover Rear Third Seat Cloth

  • Dodge Journey Wiring Power Seat Seat Trim Prem Cloth

  • 68044744aa

  • 2010 Dodge Journey Seat Belt Rear Inner Black

  • Dodge Journey Cover Rear Seat Back Left Black Red

  • Dodge Journey Seat Heater Pad Trim Leather Components

  • Dodge Journey Shield Seat Belt Retractor Trim Leather

  • Dodge Journey Strap Seat D1 Dv Trim Leather

  • Dodge Journey Headrest Second Seat Cloth Trim D5 Second

  • 2014 Dodge Journey Switches Seat

  • 1lr01gt5ab

  • The Car Seat Lady U2013 Dodge Journey

  • Dodge Journey Seat Belt Front Inner Right Ka Trim

  • 2015 Dodge Journey Adjusters Recliners U0026 Shields

  • Dodge Journey Wiring Seat Right Active Head Rest

  • Dodge Journey Seat Back Cover Third Seat Cloth Trim D5

  • Dodge Journey Seat Belt Retractor Left Xw Xw Rear

  • 56049429ae

  • 5mw32xr4aa

  • Dodge Journey Handle Recliner Trim K6 Color

  • 1rw06hl1aa

  • Dodge Journey Seat Belt Lap And Shoulder Belt Front

  • 2014 Dodge Journey Headrest Third Row Rear 50 50 Split

  • 2009 Dodge Journey Seat Belt Rear Inner Right D1 D1

  • Dodge Journey Seat Belt Front Inner Left Brown

Copyright © 2020 - CETNIEWO2017.VILOGDANSK.EU


1937 Comments