Diagram Database

Posted by on 2020-12-30

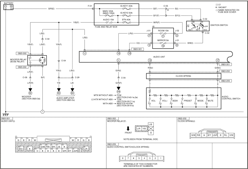
2007 Mazda 3 Car Stereo Wiring Diagram

CETNIEWO2017.VILOGDANSK.EU

2007 Mazda 3 Car Stereo Wiring Diagram

  • Wiring Diagram
  • Date : December 30, 2020
  • Downloaded : 6180 times

2007 Mazda 3 Car Stereo Wiring Diagram Whats New

Mazda 3 Car Stereo

Downloads 2007 Mazda 3 Car Stereo Wiring Diagram mazda 3 android 10 car stereo 2005 mazda 3 car stereo mazda 3 car stereo

  • I Need The Stereo Wiring Diagram For A 2008 Mazda 3 Hatchback

  • Mazda 3 2005 Radio Wiring Diagram

  • 2007 Mazda 3 Car Stereo Wiring Diagram

  • 2004 Mazda3 Radio Wire Diagram

  • Mazda 3 2004 Radio Wiring Diagram

  • I Need The Stereo Wiring Diagram For A 2008 Mazda 3 Hatchback

  • 2010 Mazda 3 Wiring Diagram Stereo

  • 32 Mazda 3 Stereo Wiring Diagram

  • Ww 9004 2005 Mazda 3 Radio Wiring Diagram Schematic Wiring

  • 2009 Mazda 3 Stereo Wiring Diagram

  • Mazda 3 2005 Radio Wiring Diagram

  • Wiring Diagram 2018 Mazda 3

  • Wiring Diagram 2018 Mazda 3

  • Mazda 3 Speaker Wiring Diagram

  • 2004 Mazda 3 Stereo Wiring Diagram

  • 2010 Mazda 3 Audio Wiring Diagram

  • 2010 Mazda 3 Wiring Diagram Stereo

  • Mazda 3 Speaker Wiring Diagram

  • 2005 Mazda 3 Ac Wiring Diagram

  • Mazda 3 Speaker Wiring Diagram

  • Dvd Car Stereo Wiring Diagram

  • 2010 Mazda 3 Bose Audio Amplifier Ku060 Wiring Diagram

  • 2010 Mazda 3 Wiring Diagram

  • 2010 Mazda 3 Alarm Wiring Diagram

  • Wiring Diagram 2018 Mazda 3

  • 2004 Mazda 3 Wiring Diagram

  • Audio Cable Sound Wiring Harness Adapter For Mazda Family

  • Car Audio Wire Diagram Codes Mazda

  • Wiring Diagrams And Free Manual Ebooks 2008 Mazda 3 Car

  • Car Stereo Wiring Diagram 6 Speakers

  • Fitting An Aerial Booster U2022 Mazda Mps Owners Club

  • Car Audio Wire Diagram Codes Mazda

  • Mazda Car Radio Stereo Audio Wiring Diagram Autoradio

  • Final Check Before I Start My Install 14 Mazda Cx Bose

  • Mazda 121 Stereo Wiring Diagram

  • 2012 Mazda 3 Stereo Wiring Diagram

  • 2017 Mazda 3 Speaker Wire Colors

  • Mazda 3 Wiring Diagram

  • 2008 Mazda 3 Stereo Wiring Diagram

  • Wiring Diagram Mazda Atenza 2004

  • 2008 Mazda 3 Stereo Wiring Diagram

  • 2009 Mazda 3 Stereo Wiring Diagram

  • 2005 Mazda 3 Stereo Wiring Diagram

  • Mazda 3 Stereo Wiring Harness

  • 2008 Mazda 3 Stereo Wiring Diagram

Copyright © 2020 - CETNIEWO2017.VILOGDANSK.EU


1937 Comments