Diagram Database

Posted by on 2020-12-30

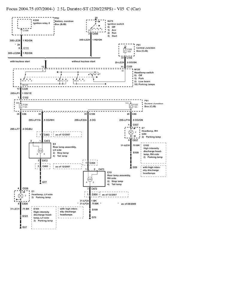
2005 Ford Focus Headlight Wiring Diagram

CETNIEWO2017.VILOGDANSK.EU

2005 Ford Focus Headlight Wiring Diagram

  • Wiring Diagram
  • Date : December 30, 2020
  • Downloaded : 7245 times

2005 Ford Focus Headlight Wiring Diagram Whats New

Ford Focus Headlight

Downloads 2005 Ford Focus Headlight Wiring Diagram ford focus headlight ford focus headlight aim ford focus headlight lip ford focus headlight size ford focus headlight bulb ford focus headlight parts ford focus headlight change ford focus headlight cover ford focus headlight moving ford focus headlight switch ford focus headlight removal ford focus headlights manual ford focus headlights repair ford focus headlight upgrades ford focus headlight assembly ford focus headlight adjustment ford focus headlight replacement ford focus headlights stay on ford focus headlight bulb change ford focus headlights not working ford focus headlight assembly 2012 ford focus headlight bulb replacement ford focus headlight replacement instructions

  • Where Can I Find Online A Wiring Diagram For 2004 Ford

  • Where Can I Find Online A Wiring Diagram For 2004 Ford

  • Where Can I Find Online A Wiring Diagram For 2004 Ford

  • Headlight Wiring Question

  • 2003 Ford Focus Headlight Wiring Diagram

  • Headlight Wiring Diagram

  • Have A 2000 Ford Focus The Right Side Headlight Only

  • Ford Focus Mk2 Headlight Switch Wiring Diagram

  • Ford Ka Headlight Wiring Diagram

  • Focus Mk2 Headlight Plug Wiring Diagram

  • I Need A Wiring Diagram For The Headlamp Switch Electrical

  • Turn Signals Inside Hid Headlights

  • Ford Focus Wiring Diagram

  • Ford Focu Wiring Halo

  • Aamidis Blogspot Com Ford Fiesta St Headlight Wiring Diagram

  • Solved Tail Lights Not Working On Ford Focus 2003

  • Ford Focu Headlight Wiring Harnes

  • 2012 Ford Focus Headlight Wiring Diagram

  • Ford Focu Wiring Diagram Mk1

  • 95 Sable Headlight Relay - Ford Forums

  • 2001 Ford Focus Wiring Diagram

  • Diagram Of Wiring For Head Unit

  • Ford Fusion Headlight Wiring Diagram

  • Crown Victoria Headlight Diagram

  • Light Switch - Ford Forums

  • Ford Headlight Switch Wiring

  • Aamidis Blogspot Com Ford Fiesta St Headlight Wiring Diagram

  • Ford Focu Wiring Connector

  • 1999 Ford Expedition Headlight Wiring Diagram

  • 2006 Ford Focus Zx4 Radio Wiring Diagram

  • Ford F 350 Headlight Switch Wiring Diagram 2011 F350

  • 1999 Ford Expedition Headlight Wiring Diagram

  • 2012 Ford Focus Headlight Wiring Diagram

  • Ford Fiesta St Headlight Wiring Diagram

  • 2012 Ford Focus Headlight Wiring Diagram Database

  • 2012 Ford Focus Headlight Wiring Diagram Database

  • 60 Elegant 2014 Ford Fusion Wiring Diagram Graphics

  • Aamidis Blogspot Com Ford Fiesta St Headlight Wiring Diagram

  • Ford Focus Headlight Wiring Diagram For 2011 Free Picture

  • 2012 Ford Focus Wiring Diagram Pdf

  • 02 Ford Headlight Wiring Diagram

Copyright © 2020 - CETNIEWO2017.VILOGDANSK.EU


1937 Comments