Diagram Database

Posted by on 2020-12-30

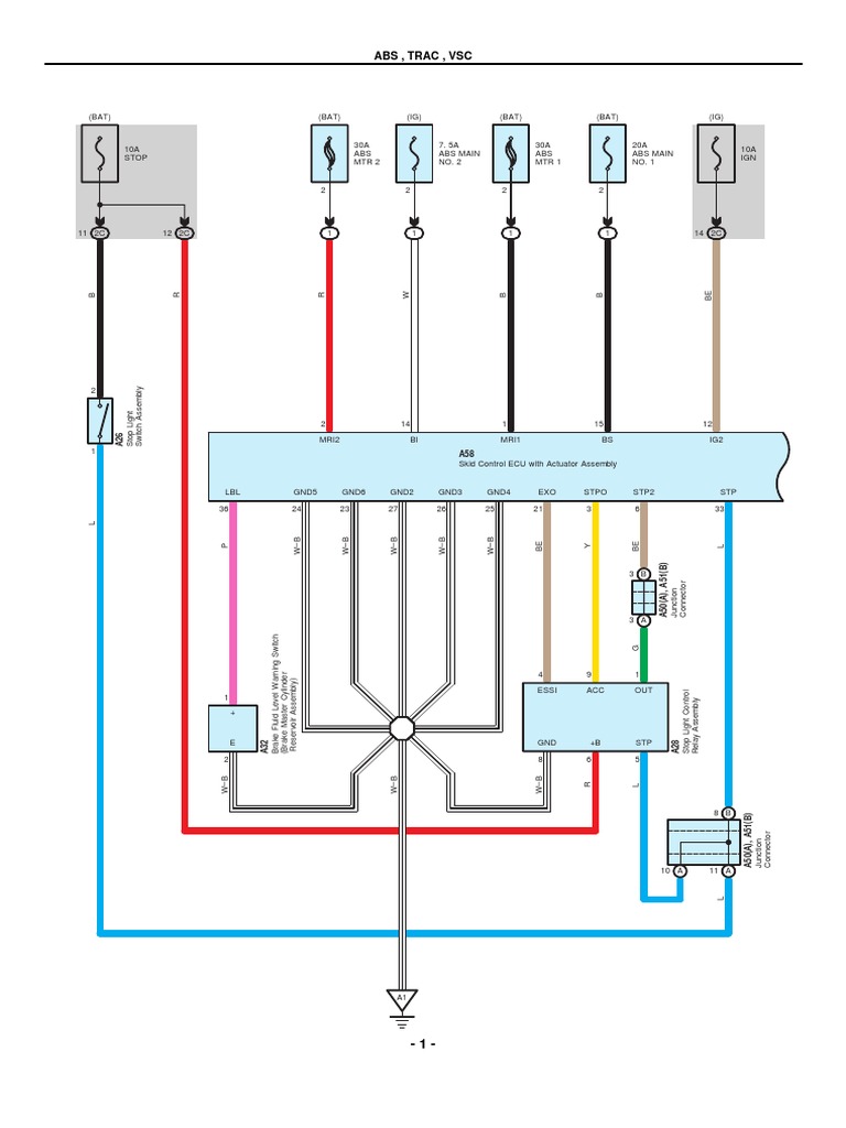
2002 Toyota Prius Nhw11 Electrical Wiring Diagrams

CETNIEWO2017.VILOGDANSK.EU

2002 Toyota Prius Nhw11 Electrical Wiring Diagrams

  • Wiring Diagrams
  • Date : December 30, 2020
  • Downloaded : 6271 times

2002 Toyota Prius Nhw11 Electrical Wiring Diagrams Whats New

Toyota Prius Nhw11 Electrical

Downloads 2002 Toyota Prius Nhw11 Electrical Wiring Diagrams

  • U042d U043b U0435 U043a U0442 U0440 U0438 U0447 U0435 U0441 U043a U0438 U0435 U0441 U0445 U0435 U043c U044b Toyota Prius Nhw11 Series Wiring

  • U042d U043b U0435 U043a U0442 U0440 U0438 U0447 U0435 U0441 U043a U0438 U0435 U0441 U0445 U0435 U043c U044b Toyota Prius Nhw11 Series Wiring

  • Toyota Prius Nhw11 Electrical Wiring Diagrams

  • 2001 Toyota Prius Wire Fuel Tank Electrical Wiring

  • 32 Toyota Prius Wiring Diagram

  • 32 Toyota Prius Wiring Diagram

  • Toyota Prius Wire Engine Connector Clamp Cable

  • 2007 Toyota Prius Wiring Diagram Manual Original

  • 60 Unique 2016 Prius C Two Wiring Diagram Graphics

  • 2009 Toyota Prius Wiring Diagram Manual Original

  • Toyota Prius Wiring Diagram Pdf Cleaver Toyota Prius

  • Toyota Electrical Wiring Diagram Pdf Creative Toyota

  • 2018 Toyota Prius Wiring Diagram

  • 12v Battery Died Parasitic Drainage Am1 Fuse

  • 2012 Toyota Prius C Wire Front Door Left Engine

  • 2010

  • 9 Professional 2010 Prius Electrical Wiring Diagram Images

  • 2007 Toyota Prius Oem Electrical Wiring Diagram Pdf

  • Toyota Prius Hybrid Wiring Diagram

  • 2015 Prius Wiring Diagram

  • 2010 Toyota Prius Wiring Diagram

  • 2006 Toyota Prius Wiring Diagram Manual Original

  • 2013 Toyota Prius Cover Wiring Harness Protector Wiring

  • 2010 Toyota Prius Electrical Wiring Diagrams Pdf 5 06 Mb

  • 2010 Toyota Prius Electrical Wiring Diagram By Wardtoledo

  • Repair Guides

  • Explicit Wiring Directions For Stealth Wire Harness

  • 2006 Toyota Prius Wiring Diagram Manual Original

  • 2007 Toyota Prius Electrical Wiring Diagram

  • Suzuki Jimny Sn413 Sn415d Service Repair Manual U0026 Wiring

  • 2004 Toyota Prius Electrical Wiring Diagram Service Manual

  • 2003 Toyota Prius Electrical Wiring Diagram Manual

  • Toyota Prius Trailer Wiring Harness Pictures

  • Toyota Prius Nhw11 2000 U20132003 Workshop Manual Free

  • Repair Guides

  • 2004 Toyota Prius Electrical Wiring Diagram Manual

  • 2002 Toyota Prius Electrical Wiring Diagram Repair Manual

  • 2005 Prius Wiring Diagram

  • Toyota Prius Wiring Diagram Database

  • Toyota Car Wiring Diagram Pdf

  • 2012 Toyota Prius V Wagon Electrical Wiring Diagrams

  • 158091 2010 Toyota Prius Flashers Electrical Wiring

  • Diy Plug

  • 2004 Toyota Prius Electrical Wiring Diagram Service Manual

  • 34 Toyota Prius Wiring Diagram

Copyright © 2020 - CETNIEWO2017.VILOGDANSK.EU


1937 Comments