Diagram Database

Posted by on 2020-12-30

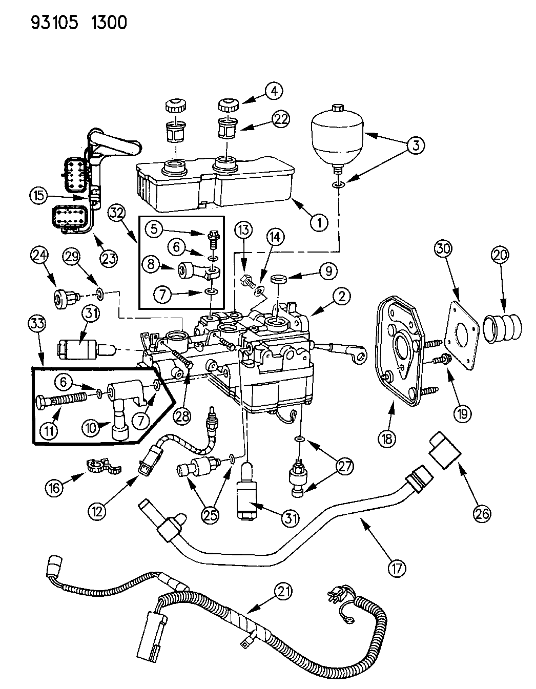
2001 Dodge Caravan Brake Diagram

CETNIEWO2017.VILOGDANSK.EU

2001 Dodge Caravan Brake Diagram

  • Brake Diagram
  • Date : December 30, 2020
  • Downloaded : 6805 times

2001 Dodge Caravan Brake Diagram Whats New

Dodge Caravan

Downloads 2001 Dodge Caravan Brake Diagram dodge caravan dodge caravan 2020 dodge caravan for sale dodge caravan tents dodge caravan lease specials dodge caravan 2018 dodge caravan 4x4 dodge caravan kbb dodge caravan 2005 dodge caravan 2009 dodge caravan awd dodge caravan 1999 dodge caravan wiki dodge caravan cargo dodge caravan cartoon dodge caravan rentals dodge caravan lease deals dodge caravan 2016 warranty dodge caravan models dodge caravan 2012 oil capacity dodge caravan for sale 2019 dodge caravan for sale in wisconsin dodge caravan 2010 dodge caravan 2012 dodge caravan 2015

  • 2000 Dodge Caravan Tube Brake Brake Master Cylinder

  • 2018 Dodge Grand Caravan Master Cylinder Brake

  • 2006 Dodge Grand Caravan Backing Plate Rear Drum Brake

  • Dodge Caravan Rotor Brake Magneti Marelli

  • Dodge Grand Caravan Caliper Assembly Disc Brake Rear

  • Dodge Grand Caravan Backing Plate Rear Drum Brake Right

  • 2005 Dodge Caravan Rear Brakes Diagram

  • 1996 Dodge Grand Caravan Lever Park Brake Dgl With Auto

  • 2006 Dodge Caravan Valve Height Sensing Brake Power

  • Dodge Grand Caravan Tube Brake

  • 2000 Dodge Caravan Tube Brake Brake Master Cylinder

  • Do You Have A Rear Drum Brake Illustration For 1995 Dodge

  • Dodge Grand Caravan Valve Proportioning Valve

  • Dodge Caravan Clip Quad Tubes 5 Way Mounting

  • Brake System My 1997 Dodge Grand Caravan Right Front Disk

  • Dodge Caravan Pad Kit Rear Disc Brake Mopar V

  • Can You Get Me A Diagram Of The Front Brakes On A 1997

  • I Have A 1996 Dodge Grand Caravan And The Brake Lines

  • Technical Car Experts Answers Everything You Need Brake

  • 1999 Dodge Grand Caravan Cable Parking Brake Left Left

  • V2013059ac

  • 5142251aa

  • I Have A 1998 Dodge Grand Caravan And I Need A Diagram To

  • 4773942

  • Schematics And Diagrams 1996 Dodge Grand Caravan Parking

  • Dodge Ram 2500 Junction Block Brake Tube Brakes Disc

  • 1998 Dodge Caravan Tube Brake Junction Block To Valve

  • 1998 Dodge Caravan Tube Right Right Side Brake

  • 1999 Dodge Grand Caravan Valve Proportioning Bgf

  • R4683522

  • I Have A 91 Dodge 350 4x4 That Had The Self Adjusting

  • 2002 Dodge Caravan Grand Caravan Service Diagnostic Manual

  • 2008 Dodge Ram 1500 Brake Line Diagram

  • Technical Car Experts Answers Everything You Need Brake

  • 2017 Dodge Caravan Trailer Wiring Diagram

  • 1998 Dodge Caravan Booster Power Brake

  • 2011 Dodge Grand Caravan Bleeder Screw Screw Brake

  • 2004 Dodge Caravan Hydraulic Control Unit Anti

  • 32 2000 Dodge Caravan Brake Lines Diagram

  • Dodge Grand Caravan Cable Parking Brake Left Wheel

  • 2005 Dodge Caravan Cable Parking Brake Right Right Rear

Copyright © 2020 - CETNIEWO2017.VILOGDANSK.EU


1937 Comments