Diagram Database

Posted by on 2020-12-30

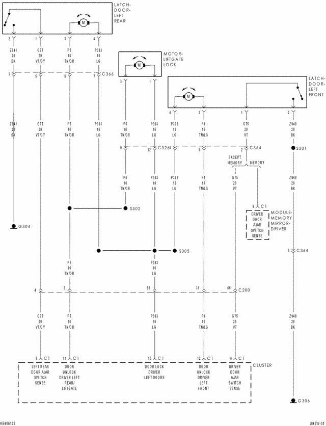
2000 Dodge Durango Door Lock Diagram

CETNIEWO2017.VILOGDANSK.EU

2000 Dodge Durango Door Lock Diagram

  • Lock Diagram
  • Date : December 30, 2020
  • Downloaded : 7360 times

2000 Dodge Durango Door Lock Diagram Whats New

Dodge Durango Door

Downloads 2000 Dodge Durango Door Lock Diagram dodge durango door seal dodge durango door parts dodge durango door handle dodge durango door lights dodge durango door panel dodge durango door protection dodge durango doors for sale dodge durango door edge guards dodge durango door sill guards dodge durango door sill plates dodge durango door lock problems dodge durango door panel removal

  • Dodge Durango Handle Exterior Door Front Door Exterior

  • Dodge Durango Rod Lock Front Door Left

  • Dodge Durango Link Outside Handle To Latch Rear Door

  • Dodge Durango Lock Latch Door Power Locks W Auto Stop

  • 2000 Dodge Durango Latch Right Rear Door Power W Power

  • Dodge Durango Door Hinge Front Lower

  • 2006 Dodge Durango Latch Rear Door Left Locks Power

  • Dodge Durango Link Outside Handle To Latch Rear Door

  • Dodge Durango Door Hinge Front Lower

  • Dodge Durango Bezel Power Window Door Lock Switch D5

  • Dodge Durango Used For Link And Sleeve Rear Door Inside

  • Dodge Durango Rod Lock Rear Door Right

  • Dodge Durango Door Lock Switch Right Cab Quad

  • 2003 Dodge Durango Bezel Left Power Window Door Lock

  • 68030823ab

  • Dodge Durango Wiring Rear Door Right Door Without Power

  • Dodge Durango Door Hinge Upper Lower Hinge Door

  • Nk 8581 Dodge Durango 2004 To 2009 Wiring Diagram

  • Power Lock Fuse 04 Dodge Durango

  • Dodge Durango Clip Lock Rod Cylinder Latch Door Lock

  • Power Lock Fuse 04 Dodge Durango

  • Power Lock Fuse 04 Dodge Durango

  • Power Lock Fuse 04 Dodge Durango

  • Dodge Durango Bezel Power Window Door Lock Switch Left

  • 2015 Dodge Durango Actuator Latch Fuel Door Fuel Filler

  • Dodge Durango Lock Latch Actuator Liftgate Includes

  • Dodge Durango Latch Liftgate

  • Power Lock Fuse 04 Dodge Durango

  • I Have A 2001 Dodge Durango And The Driver Side Window

  • I Have A 1999 Dodge Dakoda 4x4 3 9 L The Right Door

  • 04658677

  • Dodge Durango Rod Lock Rear Door Right

  • 98 Dakota Both Manual Door Locks Will Not Operate

  • 98 Dakota Both Manual Door Locks Will Not Operate

  • 2002 Dodge Ram 1500 Parts Diagram For Jammed Door

  • Need A Diagram For The Inside Fuse Box For A Dodge Durango

  • Dodge Durango Rod Lock Front Door Left

  • My 2004 Dodge Quad Cab Has A Bad Passenger Power Lock I

  • Dodge Ram 2002

  • Dodge Durango Door Lock Knob W Link Rear Left Fca

  • Dodge Durango Rod Lock Rear Door Right

  • Dodge Durango Door Lock Switch Right Cab Quad

  • I Have A 2001 Dodge Dakota The Passenger Side Power

  • Dodge Durango Clip Latch Left Locking Fuel Filler Cap

  • 1tk09dx9aa

  • Driver U0026 39 S Side Front Door Lock Doesn U0026 39 T Work

  • Dodge Durango Lock Latch Door Actuator Front

  • What Fuse Controls Power Window On A 2004 Dodge Durango

  • Dodge Durango Door Lock Latch Actuator Rear

  • Dodge Durango Lock Latch Door Rear

  • 2006 Dodge Dakota Driver Door Panel Unlock Switch Wiring

Copyright © 2020 - CETNIEWO2017.VILOGDANSK.EU


1937 Comments