Diagram Database

Posted by on 2020-12-30

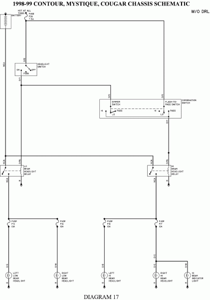
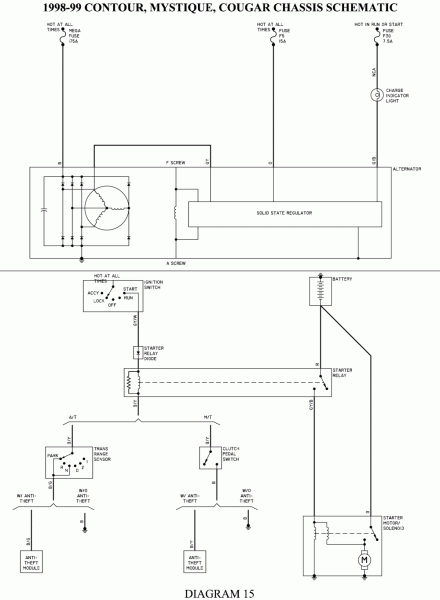
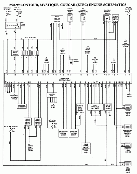
1999 Ford Contour Starter Wiring Diagram

CETNIEWO2017.VILOGDANSK.EU

1999 Ford Contour Starter Wiring Diagram

  • Wiring Diagram
  • Date : December 30, 2020
  • Downloaded : 6303 times

1999 Ford Contour Starter Wiring Diagram Whats New

Ford Contour Starter

Downloads 1999 Ford Contour Starter Wiring Diagram 1998 ford contour starter removal v6 1999 ford contour starter removal 1999 ford contour starter replacement ford contour starter replacement

  • 98 Ford Contour Wiring Diagram

  • 1996 Ford Contour Trouble With The Clutch Safety Switch

  • Starter Wiring Diagram Ford Ranger Most Ford Contour

  • 1998 Ford Contour Wiring Diagram

  • 1998 Ford Contour Wiring Diagram

  • I Have A 1999 Ford Countur Starter Relay Will Not Close

  • 1998 Ford Contour Wiring Diagram

  • Ford Contour Wiring

  • 1998 Ford Contour Diagrams

  • 98 Ford Contour Wiring

  • Wiring Diagram For 98 Ford Contour

  • 98 Ford Contour Wiring

  • 1999 Ford Contour Radio Wiring Diagram

  • I Have A 1995 Ford Contour With A V6 Engine I Need To

  • I Replaced The Fuel Pump And The Car Is Still Not Getting

  • Ford Contour Wiring

  • Ford Contour Alternator Wiring Diagram

  • Starter Wiring Please Wiring Diagram Of How Battery

  • I Have A 1998 Ford Contour That Is Not Charging We Have

  • 10 Karr Car Alarm Wiring Diagram

  • 1999 Ford Contour Engine Diagram

  • 98 Ford Contour Wiring Diagram

  • Schematics And Diagrams Turn Signal Fuse Diagram For 1999

  • 99 Ford Contour 2 5 No Start

  • 1998 Ford Ranger Engine Wiring Diagram 2

  • 1999 Ford Contour Engine Diagram

  • Wiring Fan Ford Contour

  • Ac Clutch Relay U2013 Page 3 U2013 Circuit Wiring Diagrams

  • 98 Ford Explorer Alternator Wiring Diagram

  • 1996 Ranger Wiring Diagram

  • File Starter Relay Wiring Diagram 1999 Jeep

  • Diagram Of 1998 Ford Escort Engine

  • Ford Contour Alternator Wiring Diagram

  • Ford Contour Alternator Wiring Diagram

  • Ford Contour Electric Fan Wiring Diagram

  • Ford Contour Wiring

  • 1995 Ford Contour 2 0 Cooling Fan Wont Run

  • Ford Bronco Engine Diagram

  • 1998 Ford Expedition Wiring Schematic

  • 1998 Ford Contour Wiring Diagram

  • 98 Ford Contour Wiring Diagram

  • 98 Ford Contour Fuse Panel Diagram

  • 98 Ford Contour Wiring

  • Wiring Diagram Ford 98 Contour

  • 60 Beautiful 1998 Ford F150 Wiring Diagram Pics

  • 2 Speed Taurus Fan With Override Need Opinions

  • 1999 Mercury Mystique Fuse Diagram

  • 98 Ford Contour Wiring

  • 1998 Ford Contour Break Light Fuses Rear Lights Harness

  • 98 Ford Contour Wiring

  • Ford Contour Wiring

Copyright © 2020 - CETNIEWO2017.VILOGDANSK.EU


1937 Comments