Diagram Database

Posted by on 2020-12-30

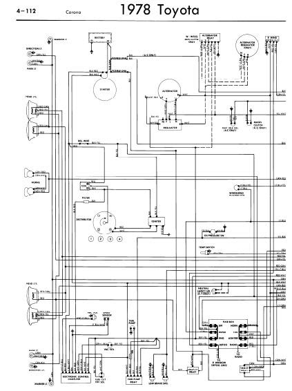
1970s Toyota Corona Repair Manual Diagram

CETNIEWO2017.VILOGDANSK.EU

1970s Toyota Corona Repair Manual Diagram

  • Manual Diagram
  • Date : December 30, 2020
  • Downloaded : 7405 times

1970s Toyota Corona Repair Manual Diagram Whats New

Toyota Corona Repair

Downloads 1970s Toyota Corona Repair Manual Diagram toyota corona repair manual toyota corolla repair toyota corolla repair costs toyota corolla repair forum toyota corolla repair guide toyota corolla repair video toyota corolla repair manual toyota corolla repair manual pdf toyota corolla repair manual free toyota corolla repair manual online toyota corolla repair manual download toyota corolla repair shops near me toyota corolla repair manual 2006 book

  • Toyota Corona Carina E Repair Manual Order U0026 Download

  • Toyota Corona Carina E Repair Manual Order U0026 Download

  • Toyota Corona Carina E Repair Manual Order U0026 Download

  • Toyota Corona Carina E Repair Manual Order U0026 Download

  • Repair

  • Repair

  • Repair

  • Repair

  • Repair

  • Repair

  • Repair

  • Repair

  • Repair

  • Repair

  • Repair

  • Repair

  • Repair

  • Repair

  • Repair

  • Used All Season Type Air Conditioning System Toyota Corona

  • Toyota Corona Manual

  • Toyota Corolla Verso Repair Manuals Download Wiring

  • Toyota Corona Manual

  • Toyota Corona Manual

  • Toyota Corona 1974 Wiring Diagrams

  • Used 1972 Toyota Corona Mark Ii Body Group Repair Manual

  • 1996 Toyota Corolla Electrical Wiring Diagram Repair

  • Toyota Corona Service Manual Pdf U0026gt Wintoosa Com

  • Shop Manual Service Repair Corolla Electrical Wiring

  • Toyota Corolla Repair Manual 2000 Electrical Wiring

  • Datsun 1000 And 1200 A10 A12 Workshop Manual

  • Toyota Corona Sr5 Repair And Service Manual 1974

  • 1974

  • Toyota Corona And Mark Ii 4 Cyl 1969 1974 Haynes Service

Copyright © 2020 - CETNIEWO2017.VILOGDANSK.EU


1937 Comments