Diagram Database

Posted by on 2020-12-30

110 Vac Fan Motor Diagram

CETNIEWO2017.VILOGDANSK.EU

110 Vac Fan Motor Diagram

  • Motor Diagram
  • Date : December 30, 2020
  • Downloaded : 7125 times

110 Vac Fan Motor Diagram Whats New

Vac Fan

Downloads 110 Vac Fan Motor Diagram 120 vac fan control super vac fan vic fangio voc fan voc fan sensor voc fan control vacuum fan vacuum fantastic vac france vacuum fan blades vacuum fan cooler vacuum fan sizing vacuum fanatics vic fangio fired vic fangio age vac finance vac financial vac fingerprint vac finance term vic fangio's vic fangio nfl vic fangio son vic fangio tie vic fangio fined

  • Diffuser For A Vacuum Cleaner Motor-fan Assembly

  • Engineers Guide Vacuum Cleaner Working Principle Design

  • Shop

  • Central Vacuum Motors

  • Kirby Vacuum Parts Schematic

  • Homelite Ry09053 Blower Vacuum Parts Diagram For Figure A

  • Dyson Dc17 Vacuum Parts U2013 Vacuum Direct

  • Need A 1981 Ca Vacuum Diagram Fsm Download Pic Is Ideal

  • Electro Motor 2

  • Homelite Ry08548 Blower Vacuum Parts Diagram For General

  • Hoover Vacuum Cleaner Parts

  • Solved Need The Vacuum Line Diagram For A 1972 Ford Ltd

  • Looking For Craftsman Model 113179700 Wet Dry Vacuum

  • Vacuum Line To Shut Off 190d 2 2 Plus

  • Need A 1981 Ca Vacuum Diagram Fsm Download Pic Is Ideal

  • Capacitor Wiring Diagram Car Audio

  • 1968 Mustang Vacuum Diagrams

  • Motor Assembly

  • How To Replace Condensor Fan Motor - Hvac

  • Echo Es

  • Rexair Rainbow D4

  • Need A 1981 Ca Vacuum Diagram Fsm Download Pic Is Ideal

  • I Have An Outdoor Ac Condensor Fan That Seems To Stall At

  • Chevrolet Camaro Questions

  • Wg840728 - Diversitech Wg840728 4 Hp 208

  • Heat Pump Condenser Ecm Motor Wiring

  • 115v 3 Speed Squirrel Cage Blower Wiring Diagram

  • Shop Vac - How To Diy Improve It

  • 1970 Corvette Heater Control Vacuum Hose Chart Wac

  • Shop-vac Mc150a Motor Replacement

  • 1075 Rpm 120 Vac Two Speed Fan Motor Bmt Inc B0508b2195

  • Nilfisk Gd910 Commercial Vacuum Cleaner Replacement Motor

  • Sanitaire Motor Fan Blower

  • Looking For Kenmore Model 11622613208 Canister Vacuum

  • Stihl She 71 Shredder Vac She 71 Parts Diagram Electric

  • 1 3 Hp 1725 Rpm 115 Vac Premium Fan Motor

  • I Need A Schematic Of The Under The Dash Board Vacuum

  • Toro 51574 Rake And Vac Blower Vacuum 2011 Sn 311000001

  • Engine

  • Hvac Vacuum Where To Hook It To

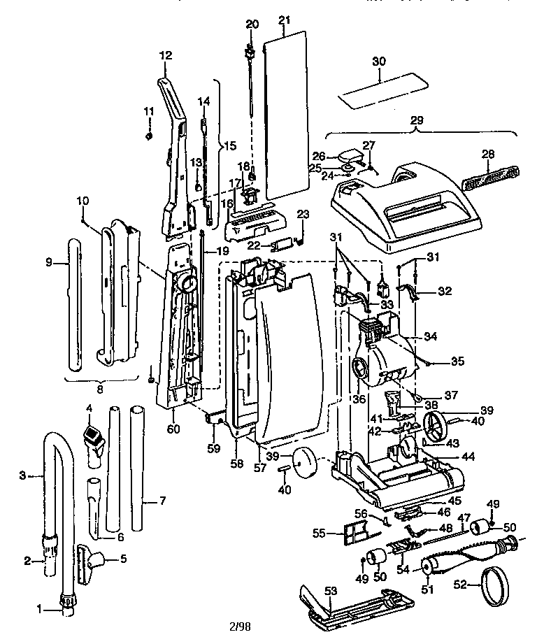
  • Kirby Sentria Motor Schematic

  • Central Vacuum Motors

  • Echo Es-250 S N P40513001001

  • Dyson Vacuum Parts Nz

  • Ih Motor Vacuum Diagram Page Off

  • Original Main Engine Ventilator Motor Vacuum Cleaner Fan

  • Is There A Vaccum Diagram For The Ka24de Thats Clearly

  • 99 Ford Explorer Engine Vacuum Diagram

  • Help Replacing A Universal Fit Air Conditioning Condenser

  • I Need A Wire Diagram For A 3 Speed 3 Wire Switch And

  • New Genuine Hoover Steam Vac 12 Amp Vacuum Motor 43576197

  • Renix Vacuum Diagrams For The Engine Bay

  • Central Vacuum System Troubleshooting Flowchart For All

  • Outdoor Unit Fan

Copyright © 2020 - CETNIEWO2017.VILOGDANSK.EU


1937 Comments